GM Service Manual Online
For 1990-2009 cars only
Makes
🢒
Pontiac
🢒
2005
🢒
Aztek - FWD
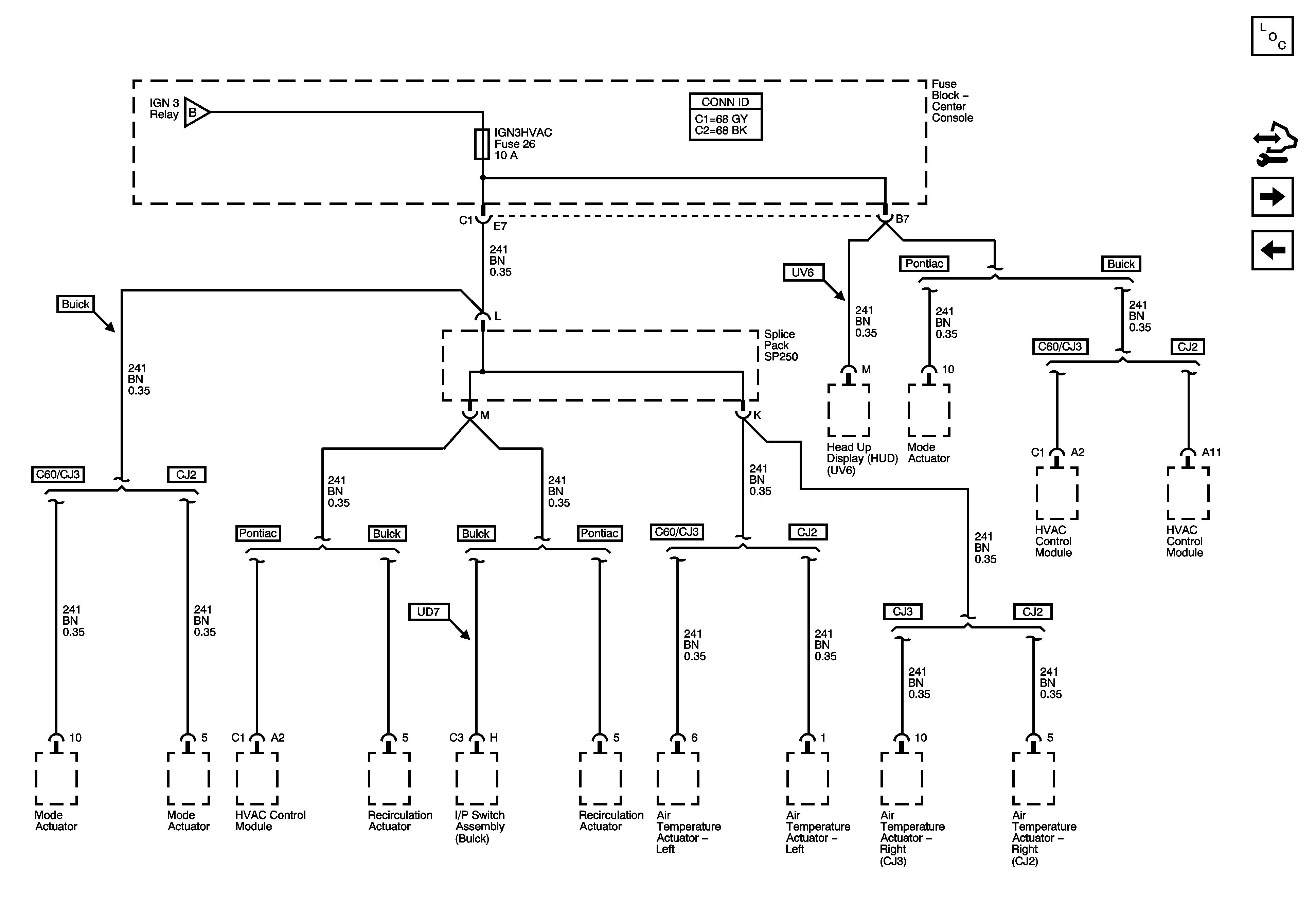
🢒 IGN3HVAC Fuse
IGN3HVAC Fuse
IGN3HVAC Fuse
Master Electrical Component List
Control Module References
Ignition Switch - ACCY/RUN, and RUN/START Bus Bars, and BCM-ACC, IGN 1 MDL, INTEMM, and SIR Fuses
Ignition Switch - ACCY/RUN/START, RUN, and START Bus Bars and BLWR, IGN0, and KEY SOL Fuses
Ignition Switch - ACCY/RUN/START, RUN, and START Bus Bars and BLWR, IGN0, and KEY SOL Fuses