GM Service Manual Online
For 1990-2009 cars only
Makes
🢒
Pontiac
🢒
2000
🢒
Bonneville
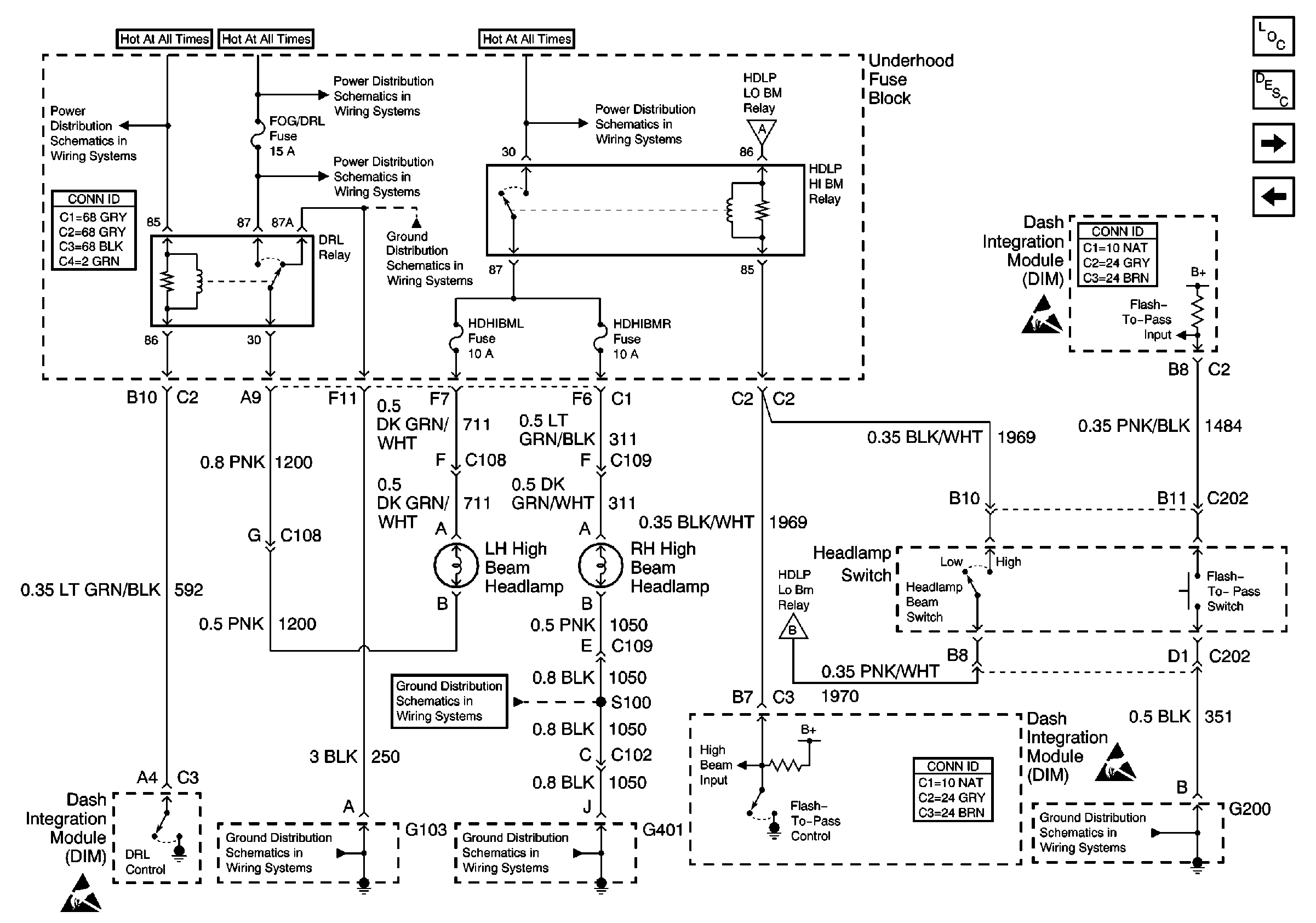
🢒 DRL, High Beam Headlamps, Dimmer Switch
DRL, High Beam Headlamps, Dimmer Switch
DRL, High Beam Headlamps, Dimmer Switch
Lighting Systems Components
Headlights Circuit Description
Low Beam Headlamps
Headlamp Switch, Ambient Light Sensor (CJ2)
Handling ESD Sensitive Parts Notice
Handling ESD Sensitive Parts Notice
Handling ESD Sensitive Parts Notice
Battery Positive Voltage Circuits from the Battery
Battery Positive Voltage Circuits from the Battery
Battery Positive Voltage Circuits from the Battery
Battery Positive Voltage Circuits from the Battery
Low Beam Headlamps
Low Beam Headlamps
G103
G200 (1 of 2)
G401 (2 of 2)
G401 (2 of 2)