GM Service Manual Online
For 1990-2009 cars only
Makes
🢒
Pontiac
🢒
2000
🢒
Bonneville
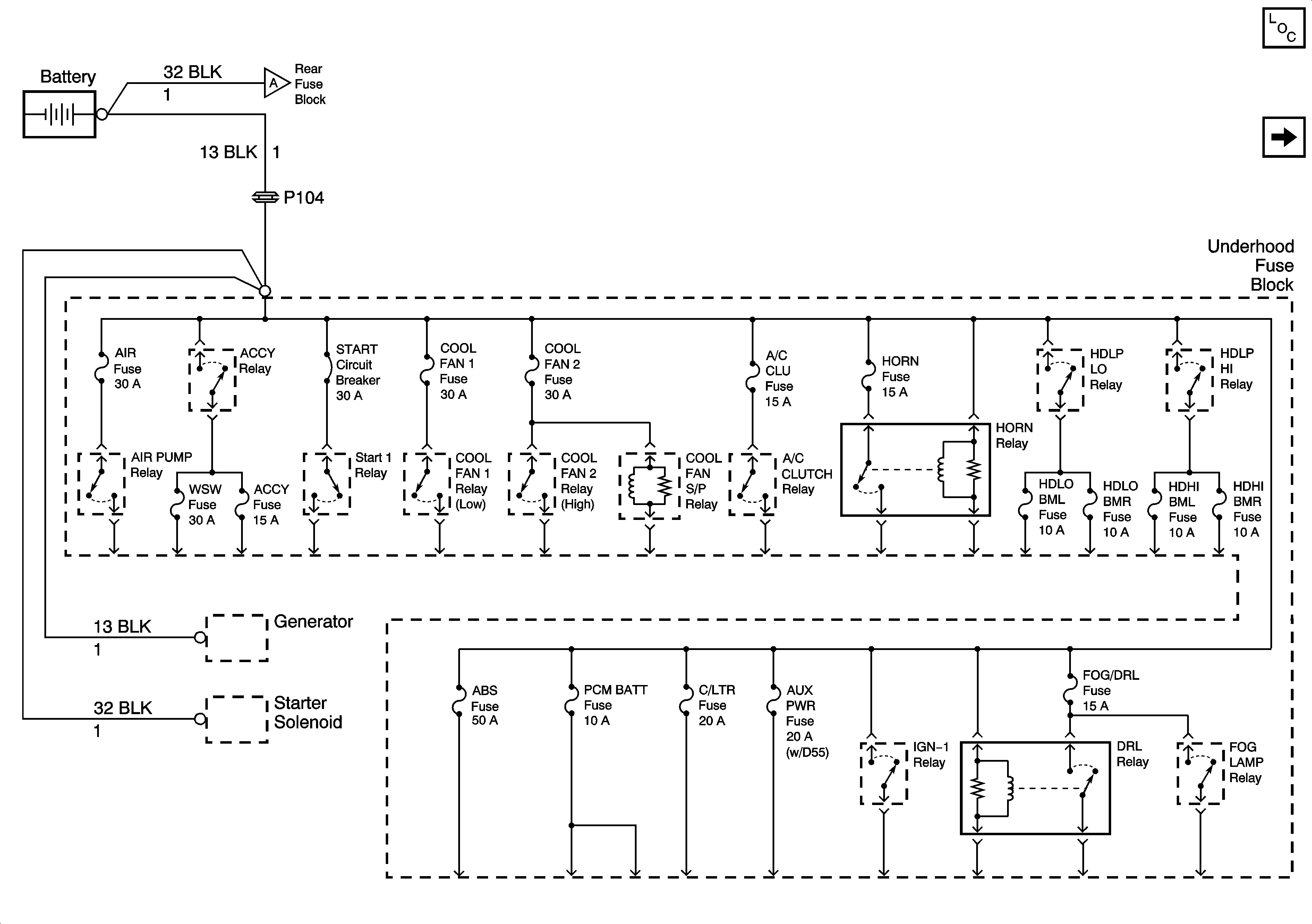
🢒 Battery Positive Voltage Circuits from the Battery
Battery Positive Voltage Circuits from the Battery
Battery Positive Voltage Circuits fron the Battery
Power and Grounding Components
Battery Voltage to the Rear Fuse Block
Battery Voltage to the Rear Fuse Block