GM Service Manual Online
For 1990-2009 cars only
Makes
🢒
Pontiac
🢒
2000
🢒
Bonneville
🢒 Instrument Panel and Console Dimming
Instrument Panel and Console Dimming
Instrument Panel and Console Dimming
Lighting Systems Components
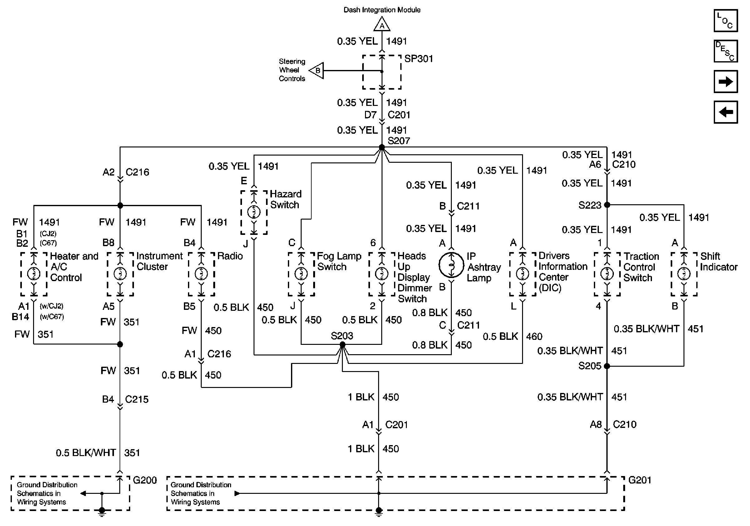
Interior Lights Dimming Circuit Description
Front Door Dimming
Dimming Control
Dimming Control
Steering Column Dimming
G200 (1 of 2)
G201 (1 of 3)