GM Service Manual Online
For 1990-2009 cars only
Makes
🢒
Pontiac
🢒
2000
🢒
Bonneville
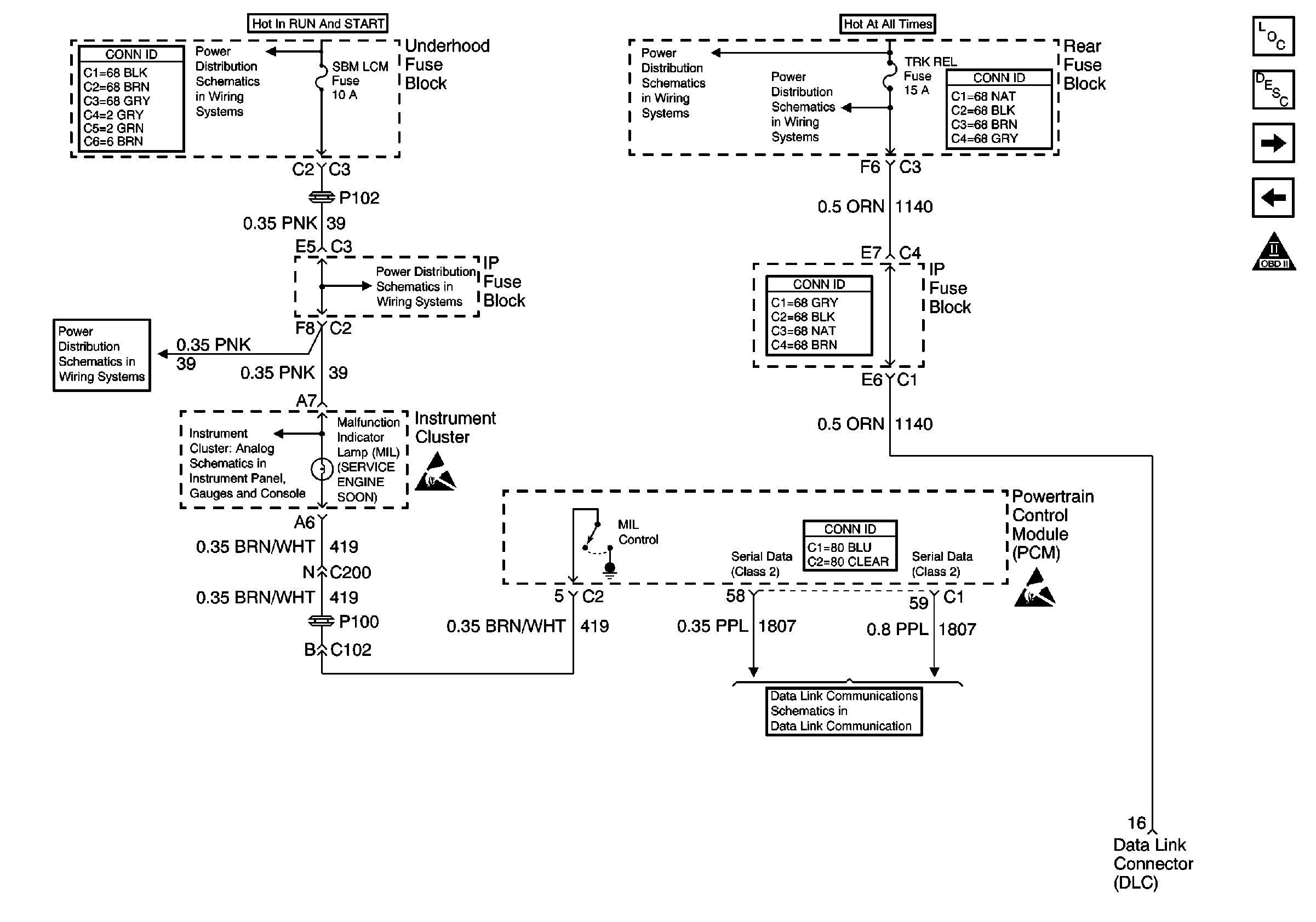
🢒 MIL and Data Link Connector (DLC)
MIL and Data Link Connector (DLC)
MIL and Data Link Connector (DLC)
Engine Controls Components
Powertrain Control Module Description
OBD II Symbol Description Notice
Ignition Control
PCM Power and Ground
Underhood Fuse Block, OXYGEN SENSOR and IGN-1 Fuses
Underhood Fuse Block, BAT 1 Fuse/Rear Fuse Block, RDM, C/LTR, DDM, HTDST L and TRK REL Fuses/ IP Fuse Block, PDM, SBM and CSTR/SBM Fuses
Underhood Fuse Block, BAT 1 Fuse/Rear Fuse Block, RDM, C/LTR, DDM, HTDST L and TRK REL Fuses/ IP Fuse Block, PDM, SBM and CSTR/SBM Fuses
Underhood Fuse Block, OXYGEN SENSOR and IGN-1 Fuses
Underhood Fuse Block, OXYGEN SENSOR and IGN-1 Fuses
Power, Ground, Class 2
Handling ESD Sensitive Parts Notice
Class 2 Serial Data Line
Handling ESD Sensitive Parts Notice