GM Service Manual Online
For 1990-2009 cars only
Makes
🢒
Pontiac
🢒
2000
🢒
Bonneville
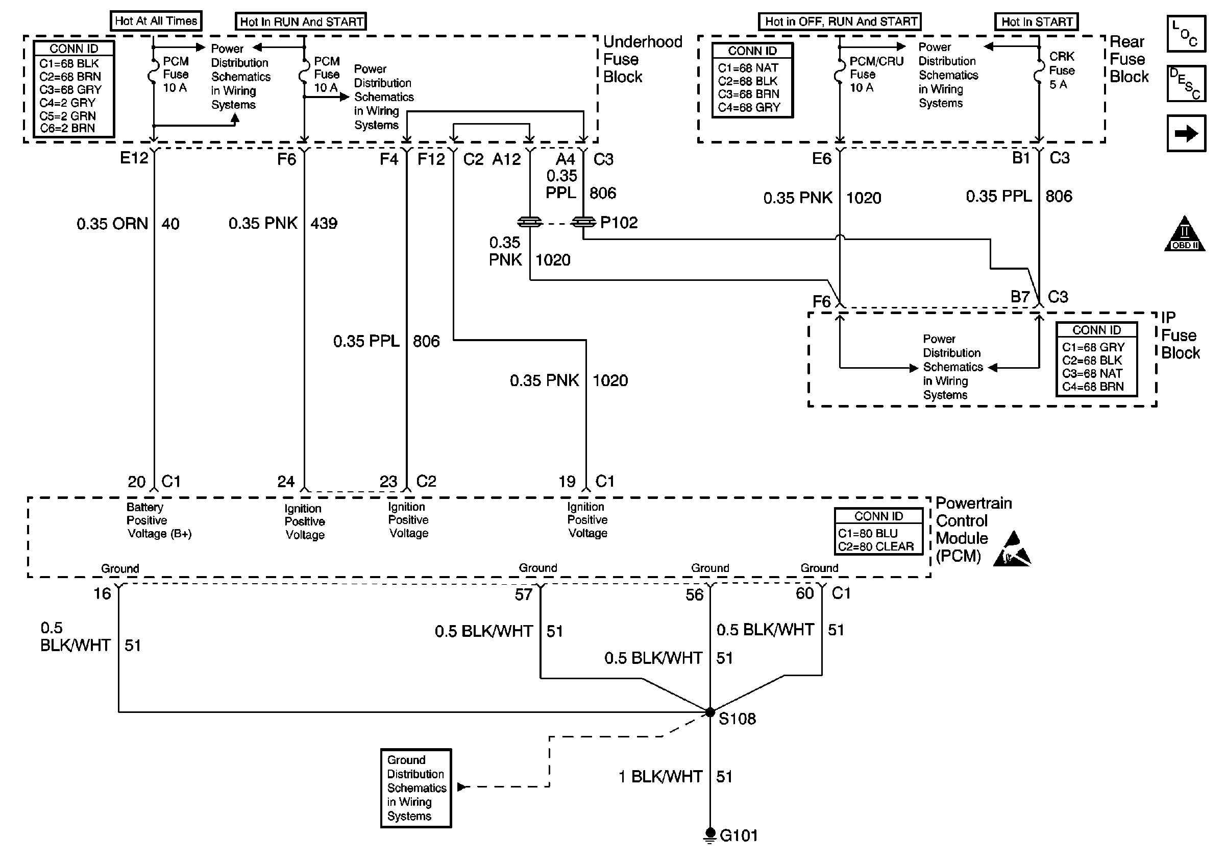
🢒 PCM Power and Ground
PCM Power and Ground
PCM Power and Ground
Engine Controls Components
Powertrain Control Module Description
OBD II Symbol Description Notice
MIL and Data Link Connector (DLC)
Underhood Fuse Block, PCM, ABS, HAZARD, FUEL PUMP, PARKLMP Fuses And Fuel Pump Relay
Underhood Fuse Block, PCM, SDM and INJ Fuses
Underhood Fuse Block, CRANK, PCM/CRUISE AND SBM Fuses
Underhood Fuse Block, CRANK, PCM/CRUISE AND SBM Fuses
Handling ESD Sensitive Parts Notice
G100, G101, G102, G103