GM Service Manual Online
For 1990-2009 cars only
Makes
🢒
Pontiac
🢒
2000
🢒
Bonneville
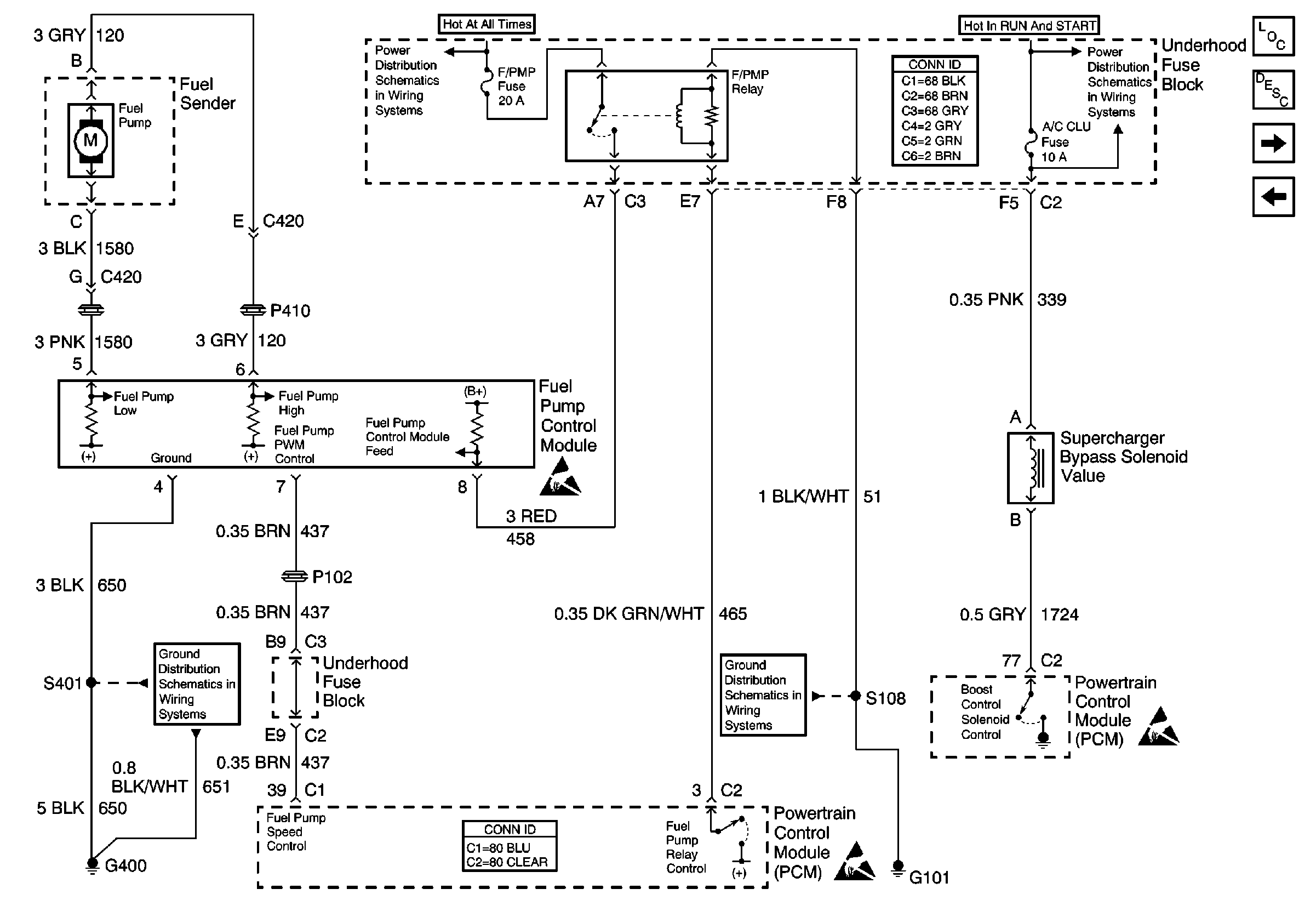
🢒 Fuel Control, L67
Fuel Control, L67
Fuel Contol, L67
Engine Controls Components
Powertrain Control Module Description
OBD II Symbol Description Notice
Fuel Injectors
Fuel Control, L36
Underhood Fuse Block, PCM, ABS, HAZARD, FUEL PUMP, PARKLMP Fuses And Fuel Pump Relay
Underhood Fuse Block, TURN, A/C Fuses and A/C Relay
Handling ESD Sensitive Parts Notice
G400, 1 of 2
G100, G101, G102, G103
Handling ESD Sensitive Parts Notice
Handling ESD Sensitive Parts Notice