GM Service Manual Online
For 1990-2009 cars only
Makes
🢒
Pontiac
🢒
2000
🢒
Bonneville
🢒 Sensors
Sensors
Sensors
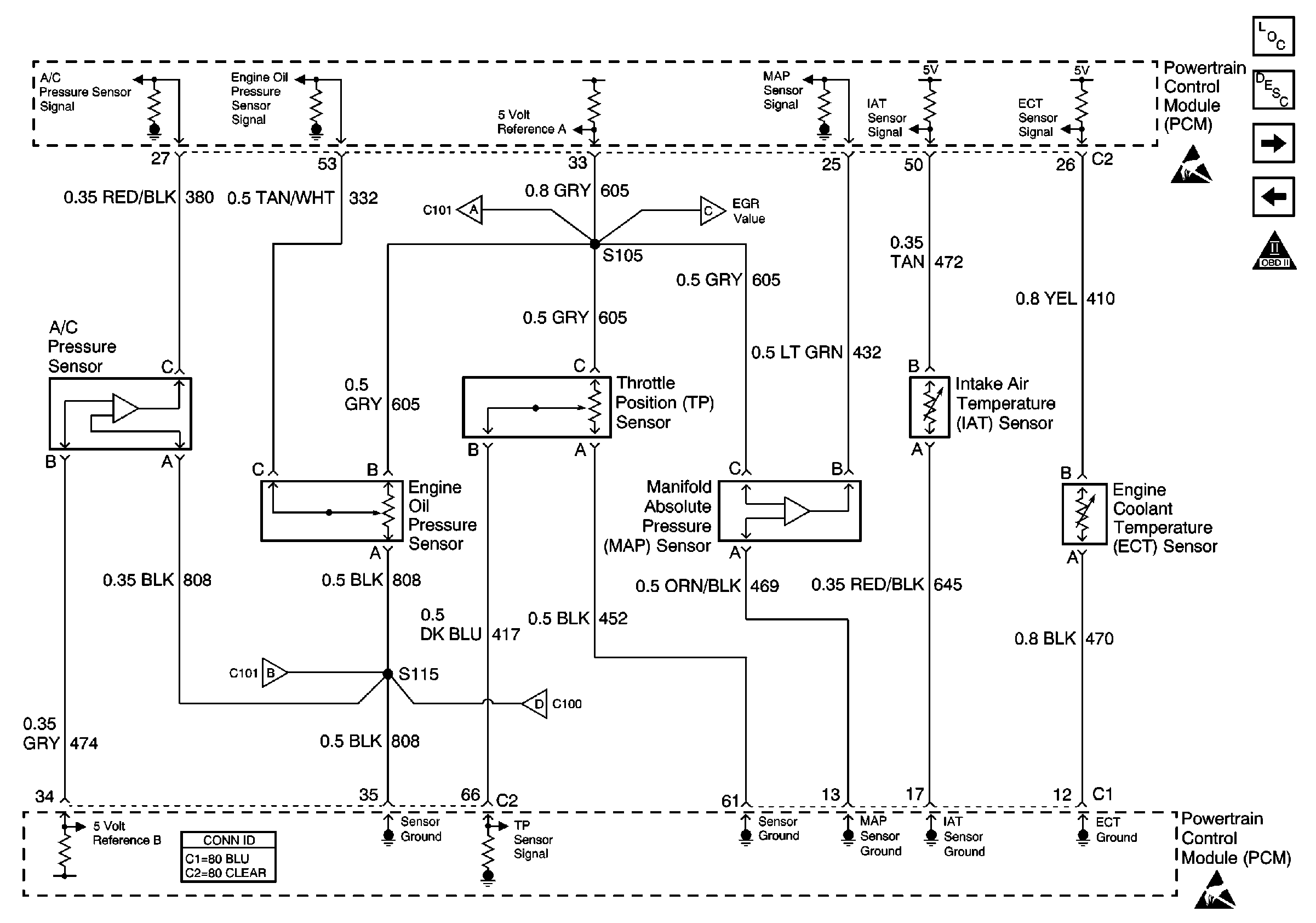
Engine Controls Components
Powertrain Control Module Description
OBD II Symbol Description Notice
Fuel Tank Pressure Sensor, EVAP Vent Valve
Transaxle Solenoids and ABS/TCC Switch
Handling ESD Sensitive Parts Notice
Fuel Tank Pressure Sensor, EVAP Vent Valve
EGR and EVAP Purge Valve
Fuel Tank Pressure Sensor, EVAP Vent Valve
Transaxle Sensors
Handling ESD Sensitive Parts Notice