GM Service Manual Online
For 1990-2009 cars only
Makes
🢒
Pontiac
🢒
2000
🢒
Bonneville
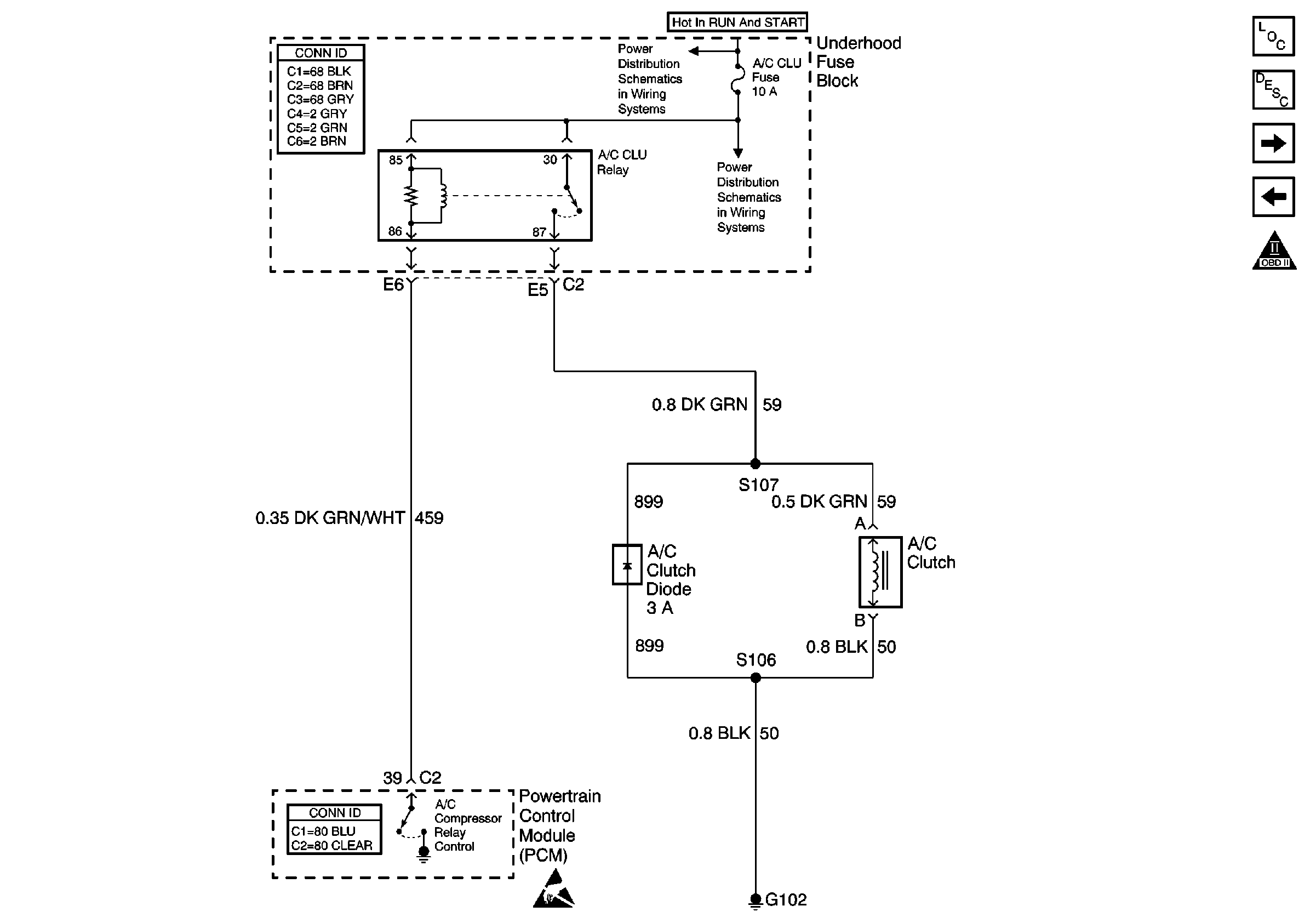
🢒 A/C Clutch Control
A/C Clutch Control
A/C Clutch Control
Engine Controls Components
Powertrain Control Module Description
OBD II Symbol Description Notice
Engine Cooling Fan Motor Controls
Park/Neutral Position (PNP) Switch and VSS
Underhood Fuse Block, TURN, A/C Fuses and A/C Relay
Underhood Fuse Block, TURN, A/C Fuses and A/C Relay
Handling ESD Sensitive Parts Notice