GM Service Manual Online
For 1990-2009 cars only
Makes
🢒
Pontiac
🢒
2000
🢒
Bonneville
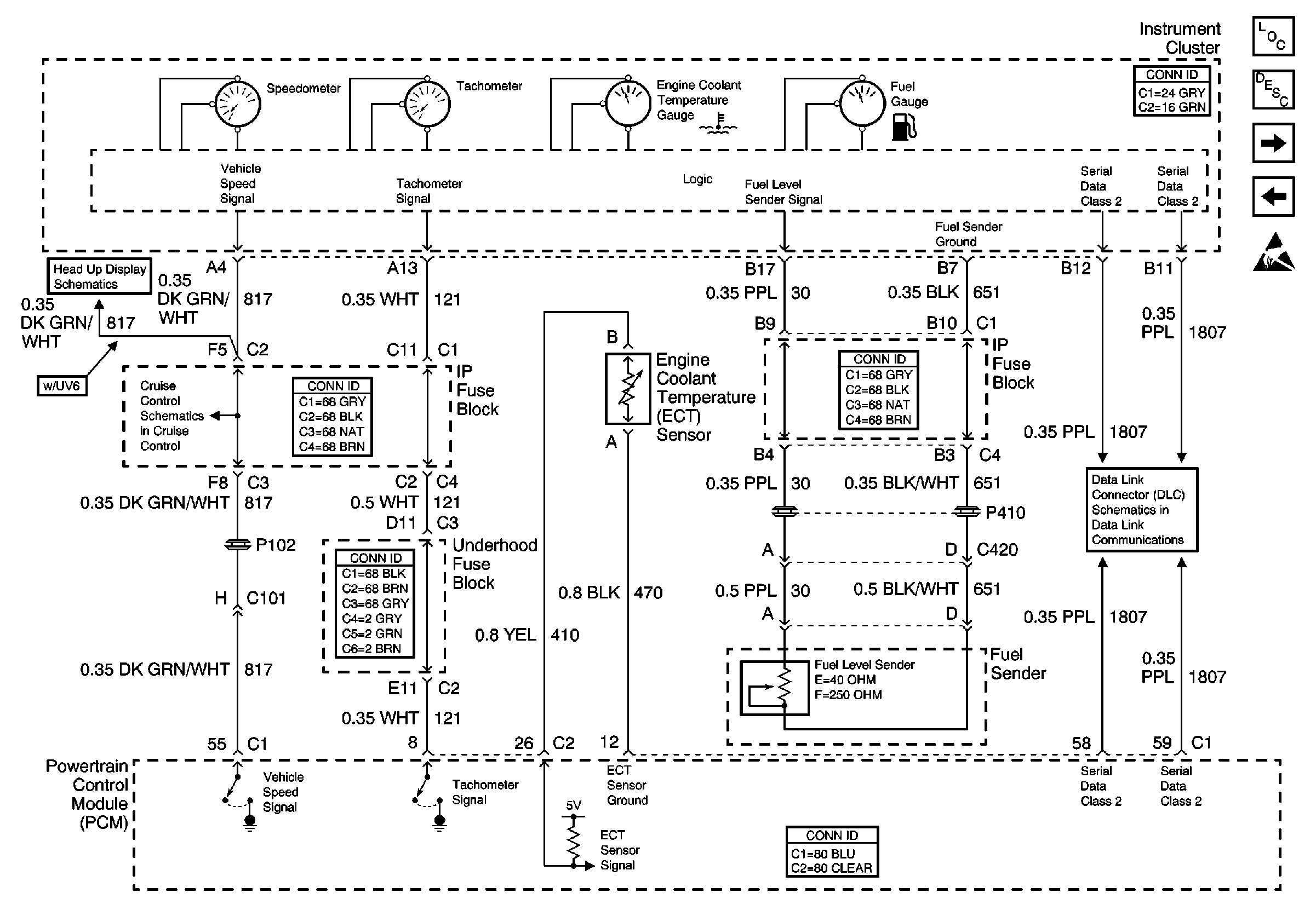
🢒 Fuel Gauge, Speedometer, Temperature Gauge, and Tachometer
Fuel Gauge, Speedometer, Temperature Gauge, and Tachometer
Fuel Gauge, Speedometer, Temperature Gauge, and Tachometer
Instrument Cluster and HUD Component Views
Head Up Display Description
Cruise, Fuel, Oil, and Volt Indicators
Power, Ground, Class 2
Handling ESD Sensitive Parts Notice
Cell 83: Head Up Display
00_C-Cruise Stoplp Sw Schematic
Class 2 Serial Data Line