GM Service Manual Online
For 1990-2009 cars only
Makes
🢒
Pontiac
🢒
2000
🢒
Bonneville
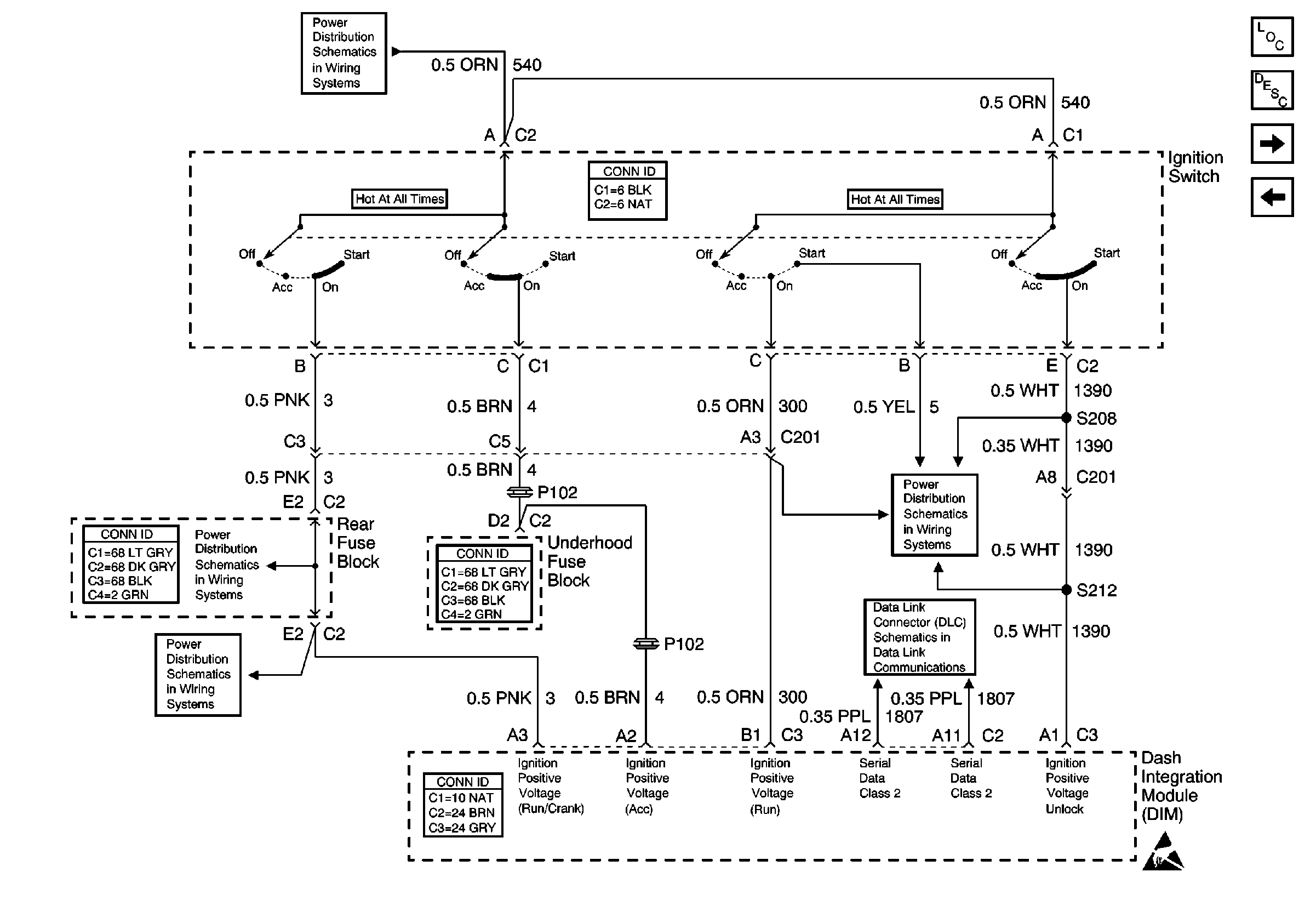
🢒 DIM Ignition Inputs
DIM Ignition Inputs
DIM Ignition Inputs
Ignition Switch
Circuits from the Ignition Switch
Ignition Switch
Serial Data Class 2
Handling ESD Sensitive Parts Notice
Body Control Module Components
Body Control System Circuit Description
DIM Input/Output (1 of 2)
DIM Power and Grounds