GM Service Manual Online
For 1990-2009 cars only
Makes
🢒
Pontiac
🢒
2000
🢒
Bonneville
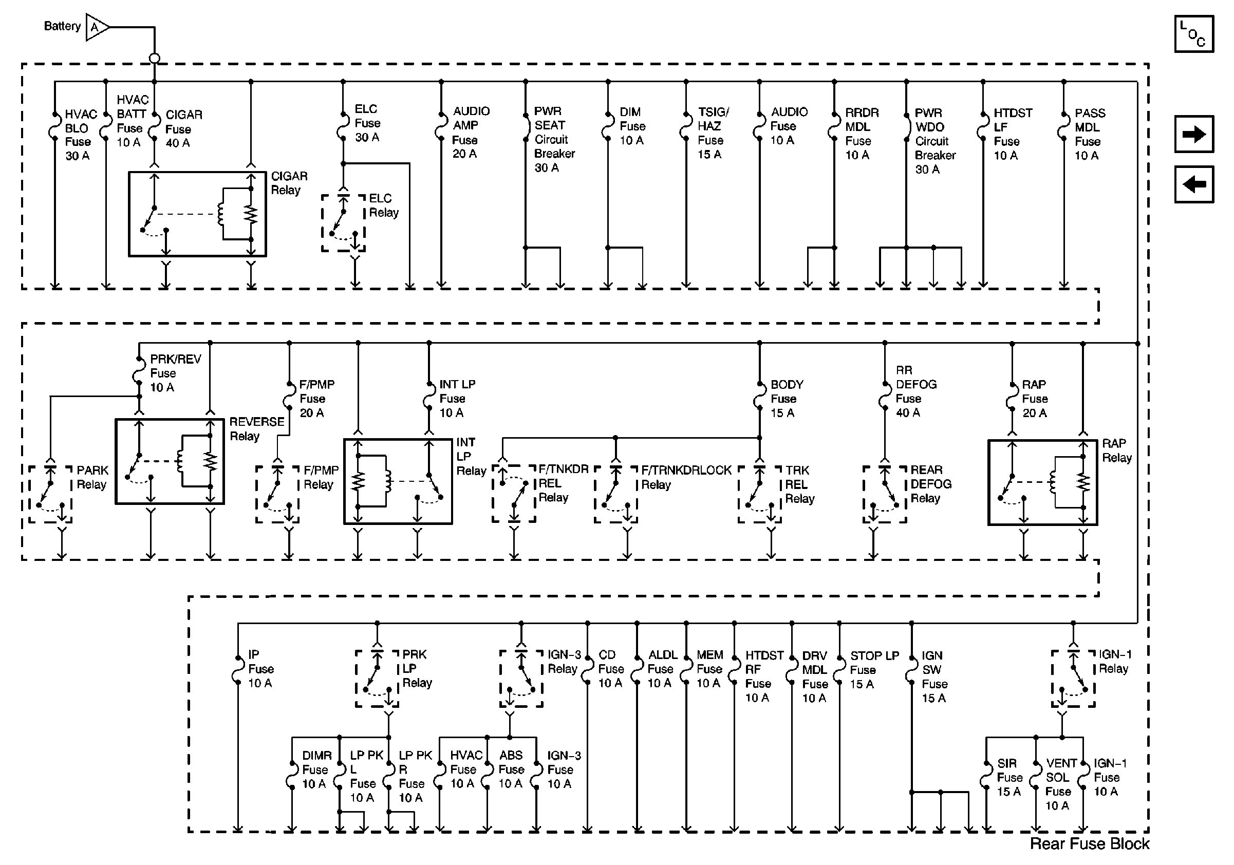
🢒 Battery Voltage to the Rear Fuse Block
Battery Voltage to the Rear Fuse Block
Battery Voltage to the Rear Fuse Block
Power and Grounding Components
IGN-1 Relay, TRANS, DIS, OXY SEN, and IGN 1 Fuses (Underhood Fuse Block)
Battery Positive Voltage Circuits from the Battery
Battery Positive Voltage Circuits from the Battery