GM Service Manual Online
For 1990-2009 cars only
Makes
🢒
Pontiac
🢒
2000
🢒
Bonneville
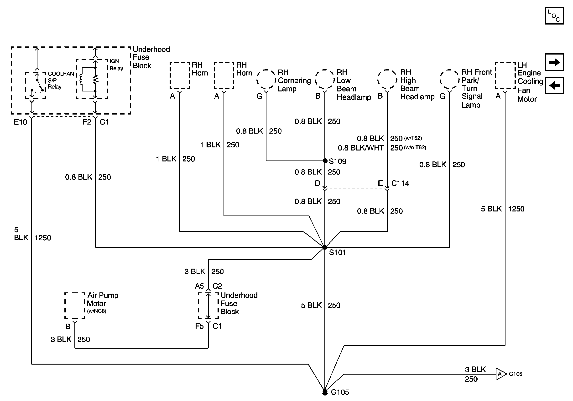
🢒 G105
G105
G105
Power and Grounding Components
G104 and G106
G100, G101, G102, G103
G104 and G106