GM Service Manual Online
For 1990-2009 cars only
Makes
🢒
Pontiac
🢒
2000
🢒
Bonneville
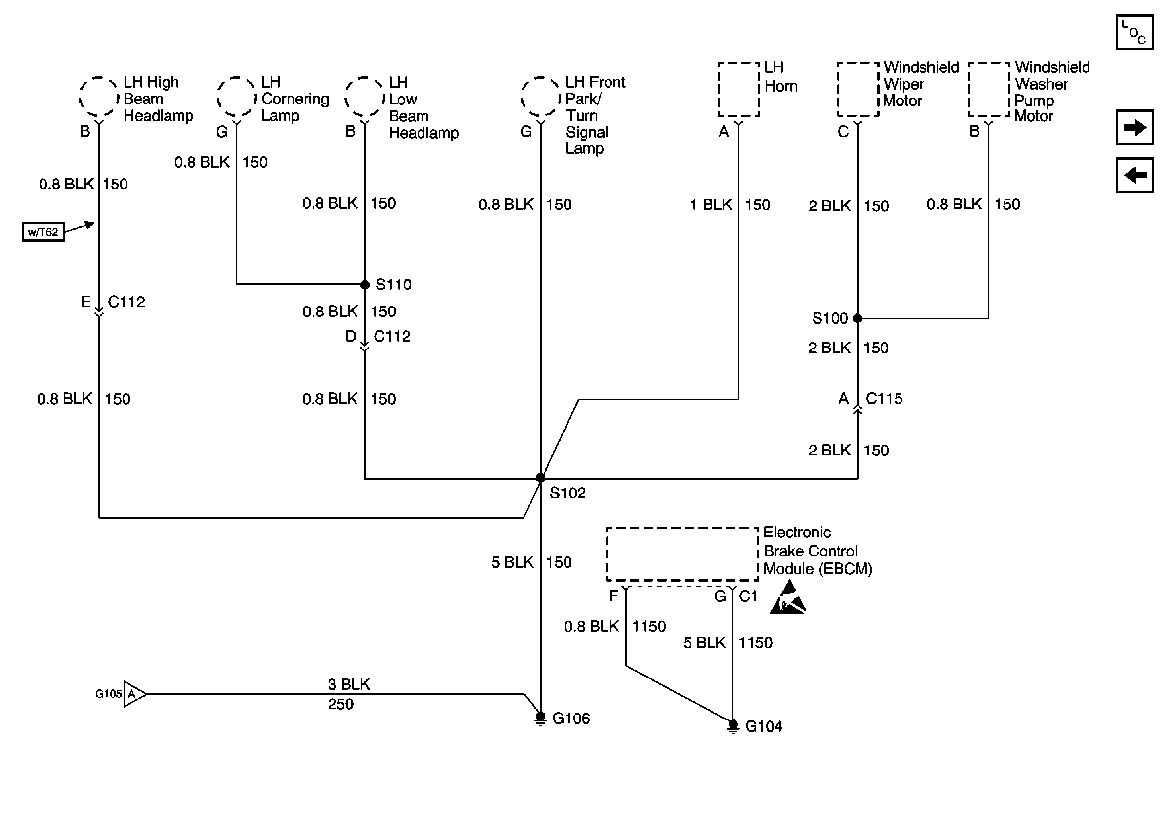
🢒 G104 and G106
G104 and G106
G104 and G106
Power and Grounding Components
G201, 1 of 2
G105
Handling ESD Sensitive Parts Notice
G105