GM Service Manual Online
For 1990-2009 cars only
Makes
🢒
Pontiac
🢒
1985
🢒
Demonstrator
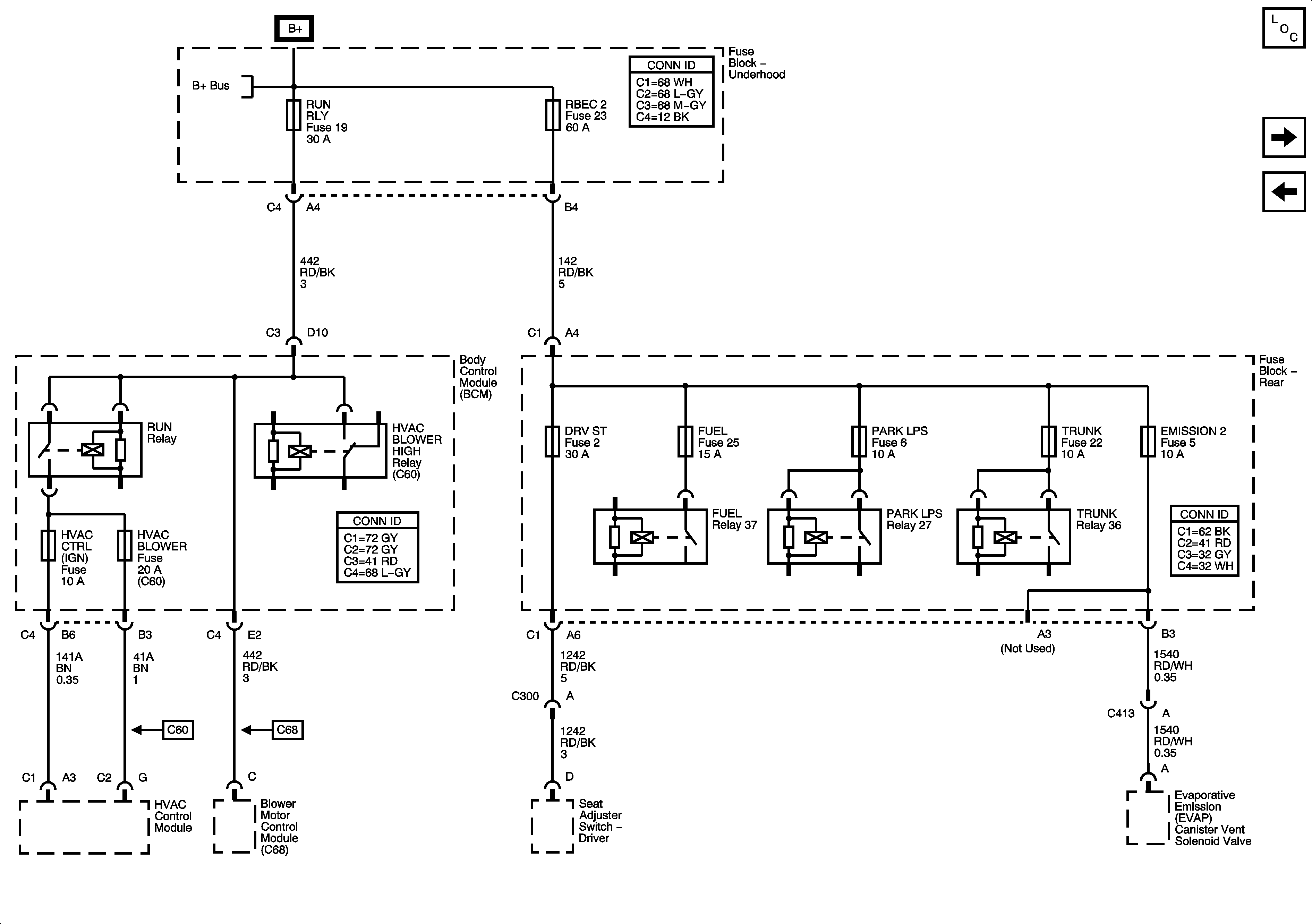
🢒 DRV ST, EMISSION 2, FUEL, PARK LPS, RBEC 2, RUN RLY, TRUNK Fuses, and FUEL, PARK LPS, TRUNK Relays, BCM - HVAC BLOWER, HVAC HEAD ECC Fuses
DRV ST, EMISSION 2, FUEL, PARK LPS, RBEC 2, RUN RLY, TRUNK Fuses, and FUEL, PARK LPS, TRUNK Relays, BCM - HVAC BLOWER, HVAC HEAD ECC Fuses
DRV ST, EMISSION 2, FUEL, PARK LPS, RBEC 2, RUN RLY, TRUNK Fuses and FUEL, PARK LPS, and TRUNK Relays, BCM - HVAC BLOWER, HVAC HEAD ECC Fuses, and HVAC BLOWER HIGH and RUN Relays
Master Electrical Component List
Fuse Block - Underhood - ABS, EPS, LH HIGH LH LOW PCM, RH HIGH, RH LOW Fuses
AUX PWR #2, BACKUPLP, CIG/AUX, HTD MIR, HTD ST, RBEC 1, RKE/XM/DVD/UGD, RR DEFOG, SUN RF Fuses, BACKUP LP and DEFOG Relays
Fuse Block Underhood Bussing
Fuse Block Underhood Bussing