GM Service Manual Online
For 1990-2009 cars only
Makes
🢒
Pontiac
🢒
1985
🢒
Demonstrator
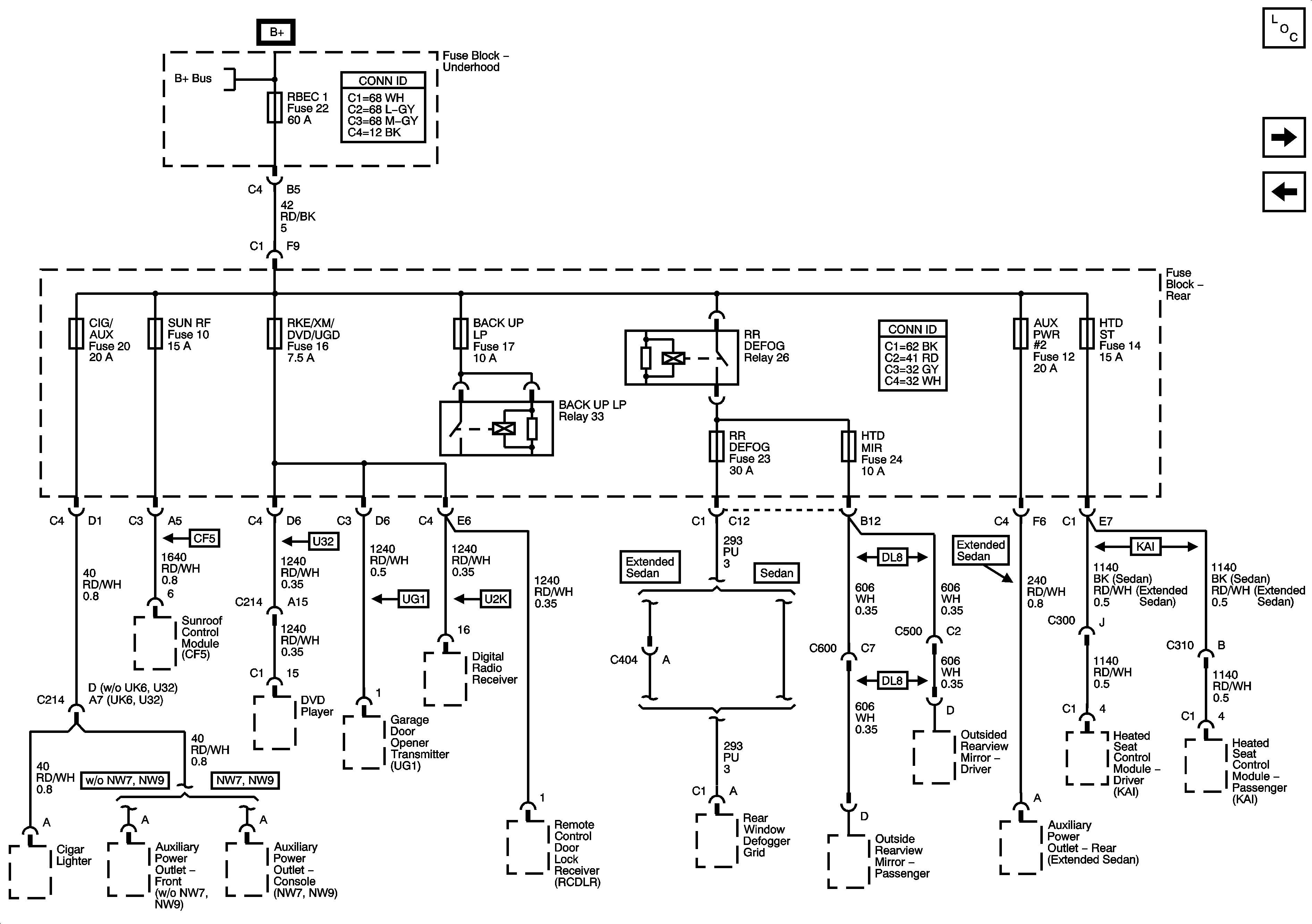
🢒 AUX PWR #2, BACKUPLP, CIG/AUX, HTD MIR, HTD ST, RBEC 1, RKE/XM/DVD/UGD, RR DEFOG, SUN RF Fuses, BACKUP LP and DEFOG Relays
AUX PWR #2, BACKUPLP, CIG/AUX, HTD MIR, HTD ST, RBEC 1, RKE/XM/DVD/UGD, RR DEFOG, SUN RF Fuses, BACKUP LP and DEFOG Relays
AUX PWR #2, BACK UP LP, CIG/AUX, HTD MIR, HTD ST, RBEC 1, RKE/XM/DVD/UGD, RR DEFOG, SUN RF Fuses, BACK UP LP, and RR DEFOG Relays
Master Electrical Component List
DRV ST, EMISSION 2, FUEL, PARK LPS, RBEC 2, RUN RLY, TRUNK Fuses, and FUEL, PARK LPS, TRUNK Relays, BCM - HVAC BLOWER, HVAC HEAD ECC Fuses
Underhood Fuse Block Fuse - IBCM 1 Fuse, Body Control Module Fuses - AIRBAG (BATT), CLUSTER/THEFT, HVAC CTRL (BATT), IGN Sensor, RADIO Fuses and the Ignition Switch
Fuse Block Underhood Bussing
Fuse Block Underhood Bussing