GM Service Manual Online
For 1990-2009 cars only
Makes
🢒
Pontiac
🢒
1985
🢒
Demonstrator
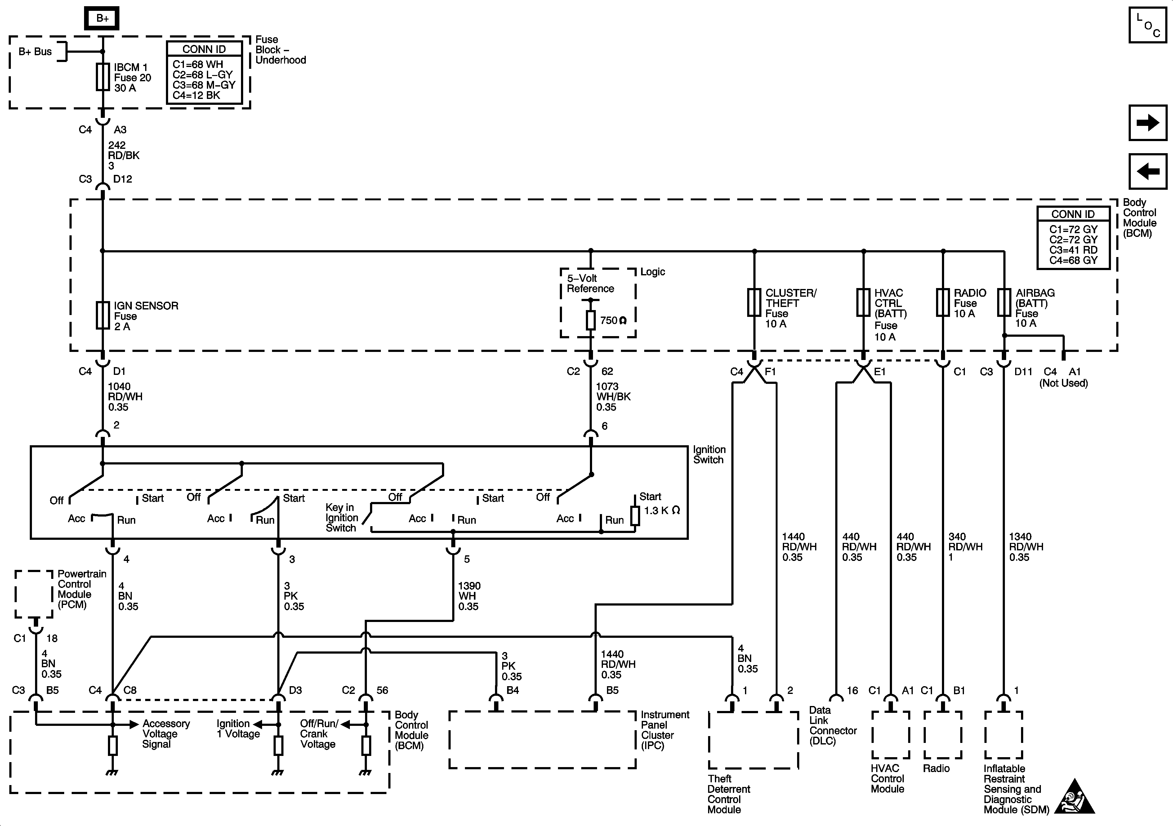
🢒 Underhood Fuse Block Fuse - IBCM 1 Fuse, Body Control Module Fuses - AIRBAG (BATT), CLUSTER/THEFT, HVAC CTRL (BATT), IGN Sensor, RADIO Fuses and the Ignition Switch
Underhood Fuse Block Fuse - IBCM 1 Fuse, Body Control Module Fuses - AIRBAG (BATT), CLUSTER/THEFT, HVAC CTRL (BATT), IGN Sensor, RADIO Fuses and the Ignition Switch
Fuse Block - Underhood - IBCM 1 Fuse, BCM - AIRBAG (BATT), CLUSTER/THEFT, HVAC CTRL (BATT), IGN SENSOR, RADIO FUSES, and Ignition Switch
Master Electrical Component List
AUX PWR #2, BACKUPLP, CIG/AUX, HTD MIR, HTD ST, RBEC 1, RKE/XM/DVD/UGD, RR DEFOG, SUN RF Fuses, BACKUP LP and DEFOG Relays
Fuse Block Underhood Bussing
Fuse Block Underhood Bussing
Fuse Block Underhood Bussing
Power and Grounding Schematic Icons