GM Service Manual Online
For 1990-2009 cars only
Makes
🢒
Pontiac
🢒
1985
🢒
Demonstrator
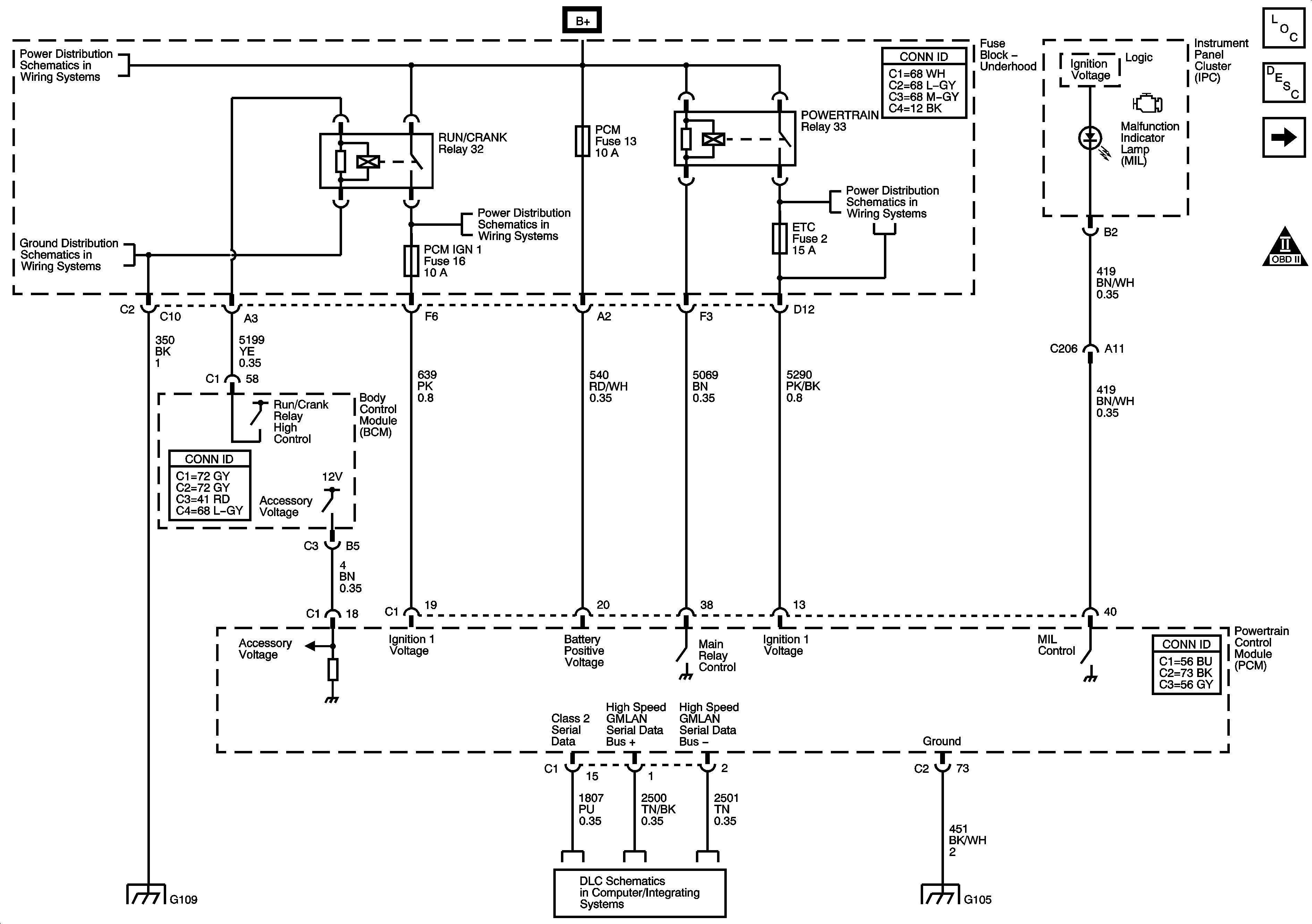
🢒 Power, Ground, Serial Data, and MIL
Power, Ground, Serial Data, and MIL
Power, Ground, Serial Data, and MIL
Master Electrical Component List
Powertrain Control Module Description
5-Volt and Low Reference Bussing
Engine Controls Schematic Icons
Fuse Block Underhood Bussing
Fuse Block Underhood Bussing
Fuse Block - Underhood - ABS, IGN, INJ, PCM IGN, TRANS Fuses and RUN/CRANK Relay
Fuse Block - Underhood - EMISSION 1, ETC Fuses, and A/C Clutch, P0WERTRAIN Relays
G109
G109
Power, Ground and High Speed Serial Data
G103, G104, and G105