GM Service Manual Online
For 1990-2009 cars only
Makes
🢒
Pontiac
🢒
1985
🢒
Demonstrator
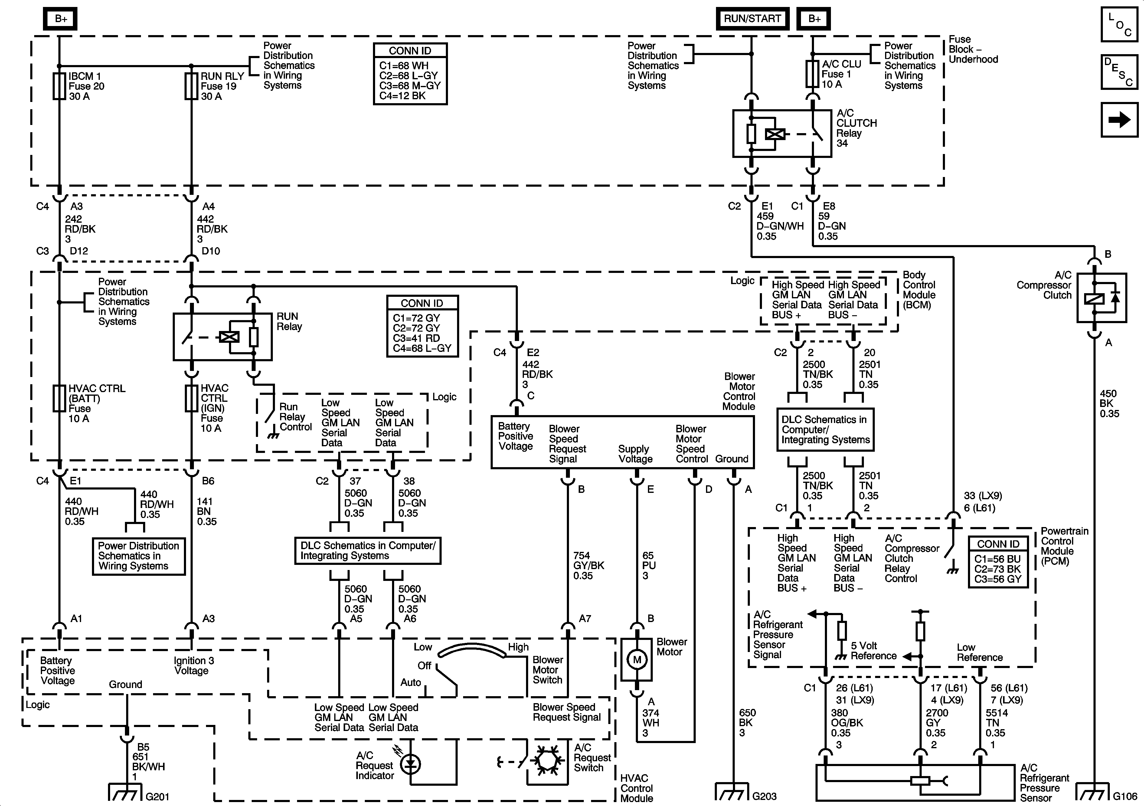
🢒 Power, Ground, A/C Compressor Clutch, and Blower Motor Controls
Power, Ground, A/C Compressor Clutch, and Blower Motor Controls
Power, Ground, A/C Compressor Clutch, and Blower Motor Controls
Master Electrical Component List
Air Delivery Description and Operation
Mode and Air Temperature Controls
Fuse Block Underhood Bussing
Fuse Block - Underhood - EMISSION 1, ETC Fuses, and A/C Clutch, P0WERTRAIN Relays
Fuse Block Underhood Bussing
Fuse Block Underhood Bussing
Fuse Block - Underhood - EMISSION 1, ETC Fuses, and A/C Clutch, P0WERTRAIN Relays
Fuse Block Underhood Bussing
Underhood Fuse Block Fuse - IBCM 1 Fuse, Body Control Module Fuses - AIRBAG (BATT), CLUSTER/THEFT, HVAC CTRL (BATT), IGN Sensor, RADIO Fuses and the Ignition Switch
Underhood Fuse Block Fuse - IBCM 1 Fuse, Body Control Module Fuses - AIRBAG (BATT), CLUSTER/THEFT, HVAC CTRL (BATT), IGN Sensor, RADIO Fuses and the Ignition Switch
Low Speed Serial Data
Power, Ground and High Speed Serial Data
G201
G203
G106