GM Service Manual Online
For 1990-2009 cars only
Makes
🢒
Pontiac
🢒
1985
🢒
Demonstrator
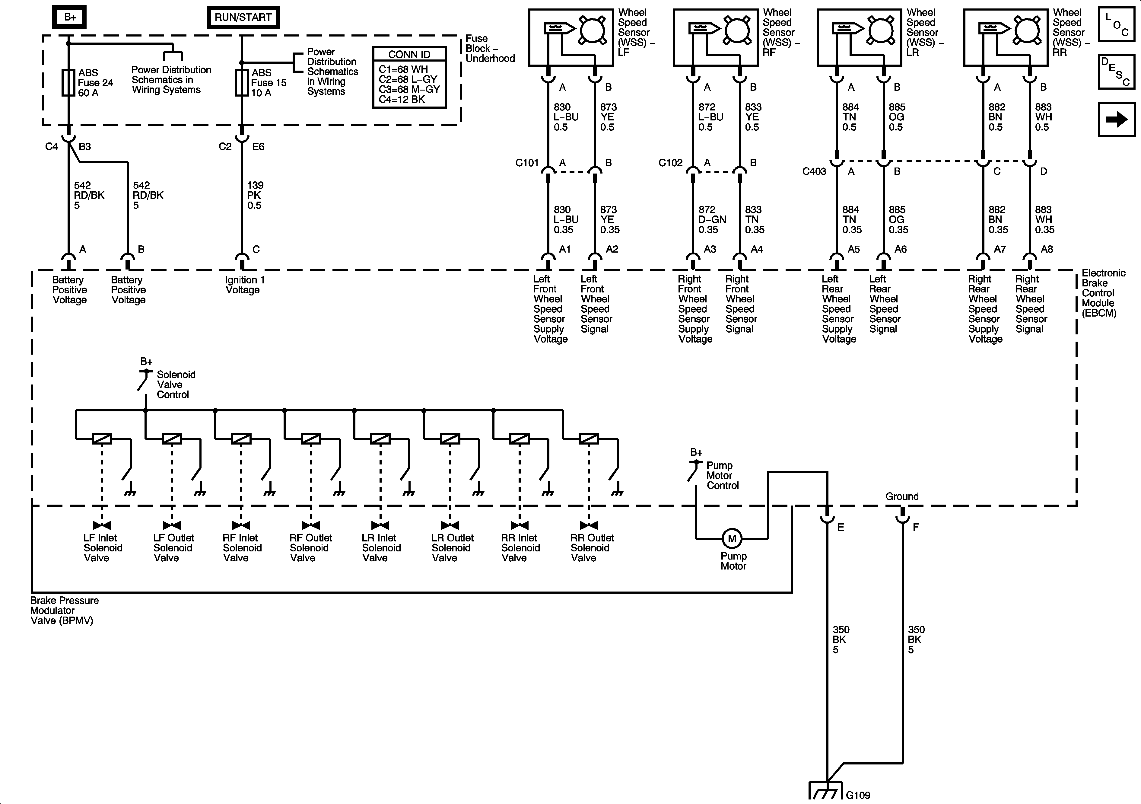
🢒 Power, Ground, Brake Pressure Modulator Valve, and Wheel Speed Sensors
Power, Ground, Brake Pressure Modulator Valve, and Wheel Speed Sensors
Power, Ground, Brake Pressure Modulator Valve, and Wheel Speed Sensors
Master Electrical Component List
ABS Description and Operation
Brake Pedal Position Sensor, Traction Control Switch, and Data Link Communications
Fuse Block Underhood Bussing
Fuse Block - Underhood - ABS, IGN, INJ, PCM IGN, TRANS Fuses and RUN/CRANK Relay
Fuse Block - Underhood - ABS, EPS, LH HIGH LH LOW PCM, RH HIGH, RH LOW Fuses
Fuse Block - Underhood - ABS, IGN, INJ, PCM IGN, TRANS Fuses and RUN/CRANK Relay
G109