GM Service Manual Online
For 1990-2009 cars only
Makes
🢒
Pontiac
🢒
1985
🢒
Demonstrator
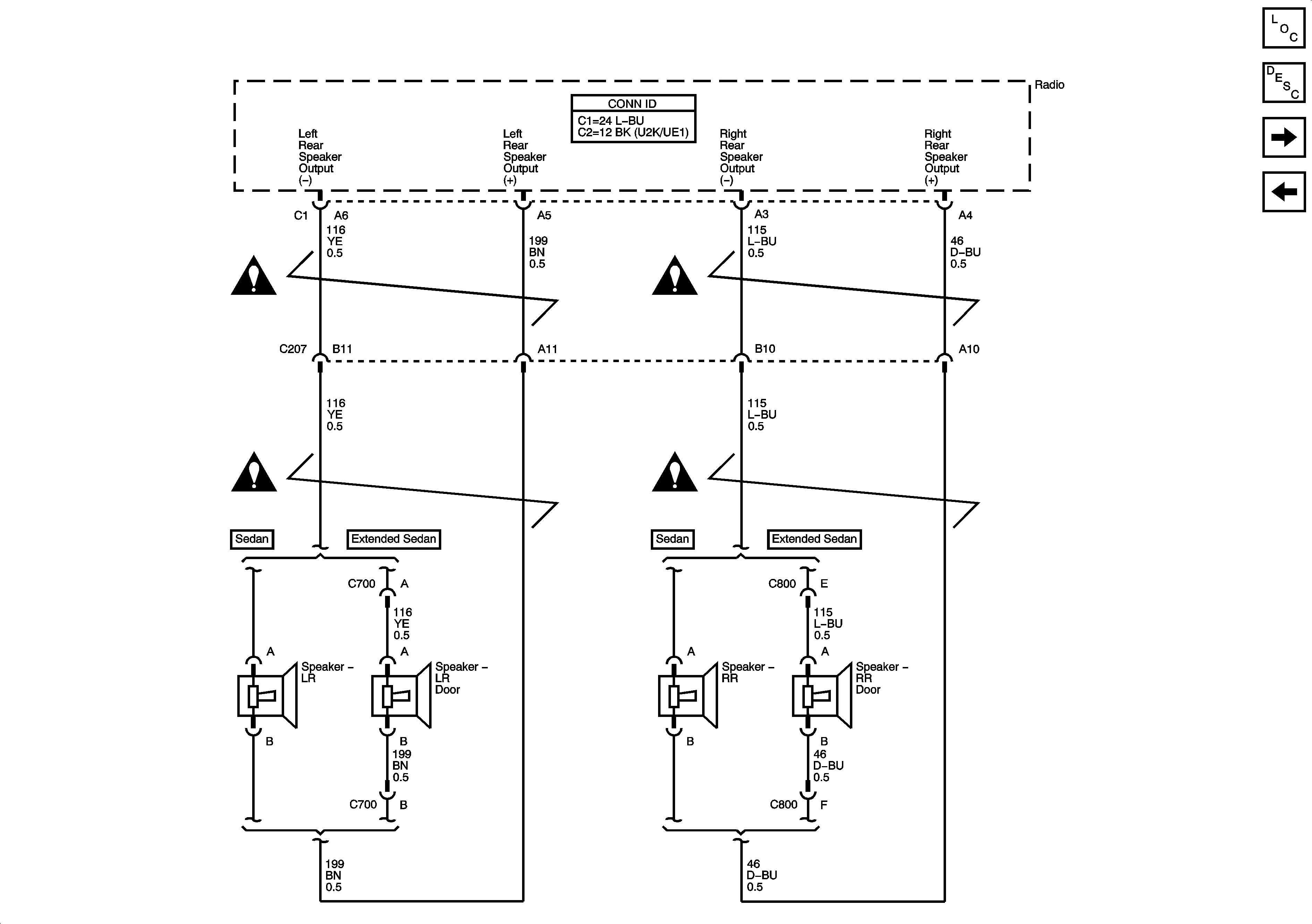
🢒 Rear Speakers w/o UK6, U32, or U2K
Rear Speakers w/o UK6, U32, or U2K
Rear Speakers W/O UK6, U32, or U2K
Master Electrical Component List
Radio/Audio System Description and Operation
Rear Seat Audio (RSA) Controller
Radio, Power, Ground, Front Speakers, Antenna, and References
Entertainment Schematic Icons
Entertainment Schematic Icons
Entertainment Schematic Icons
Entertainment Schematic Icons