GM Service Manual Online
For 1990-2009 cars only
Makes
🢒
Pontiac
🢒
1985
🢒
Demonstrator
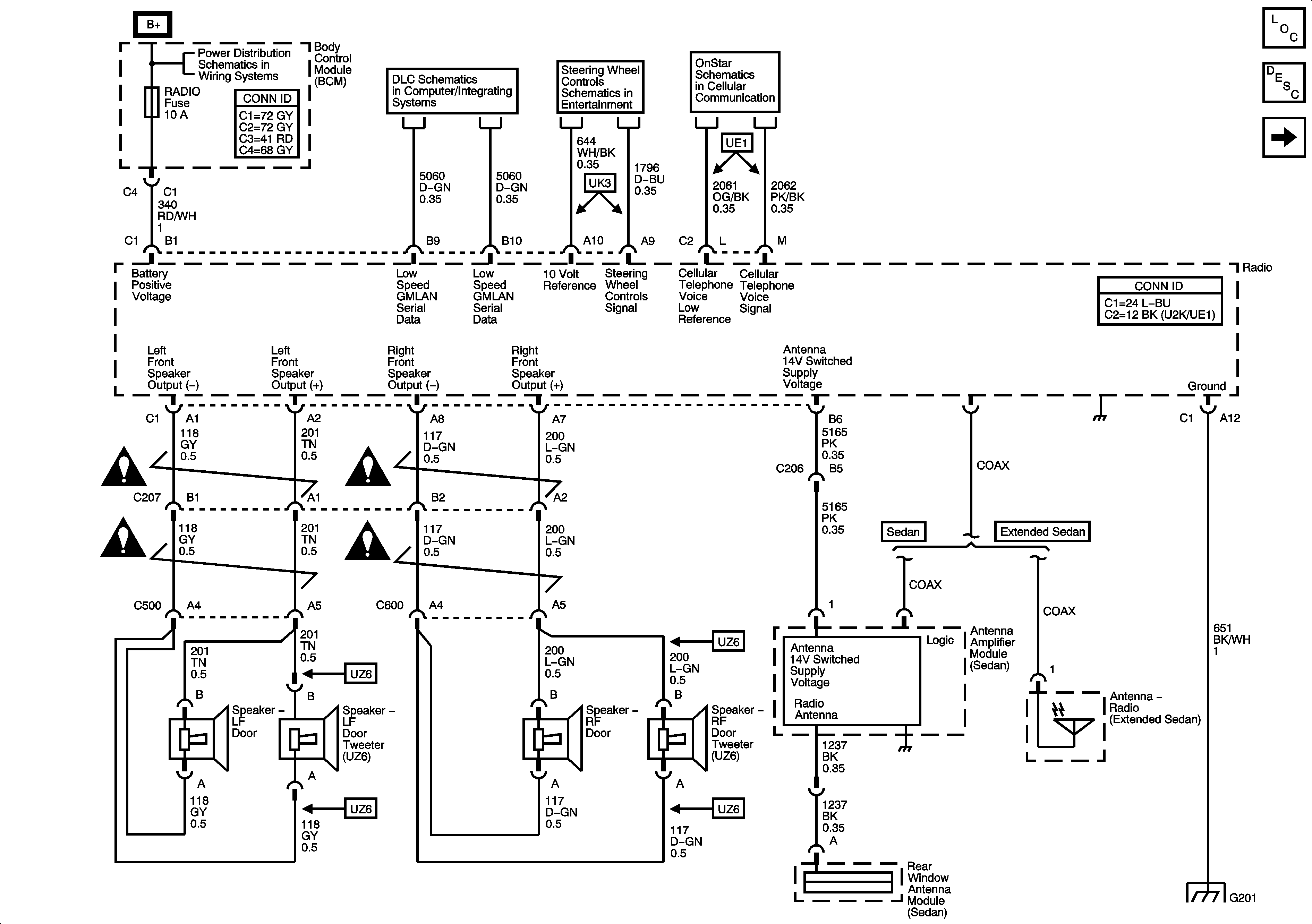
🢒 Radio, Power, Ground, Front Speakers, Antenna, and References
Radio, Power, Ground, Front Speakers, Antenna, and References
Radio Power, Ground, Front Speakers, Antenna, and References
Master Electrical Component List
Radio/Audio System Description and Operation
Rear Speakers w/o UK6, U32, or U2K
Underhood Fuse Block Fuse - IBCM 1 Fuse, Body Control Module Fuses - AIRBAG (BATT), CLUSTER/THEFT, HVAC CTRL (BATT), IGN Sensor, RADIO Fuses and the Ignition Switch
Underhood Fuse Block Fuse - IBCM 1 Fuse, Body Control Module Fuses - AIRBAG (BATT), CLUSTER/THEFT, HVAC CTRL (BATT), IGN Sensor, RADIO Fuses and the Ignition Switch
Low Speed Serial Data
Steering Wheel Controls
OnStar Communications
Entertainment Schematic Icons
Entertainment Schematic Icons
Entertainment Schematic Icons
Entertainment Schematic Icons
G201