GM Service Manual Online
For 1990-2009 cars only
Makes
🢒
Pontiac
🢒
1985
🢒
Demonstrator
🢒 OnStar Communications
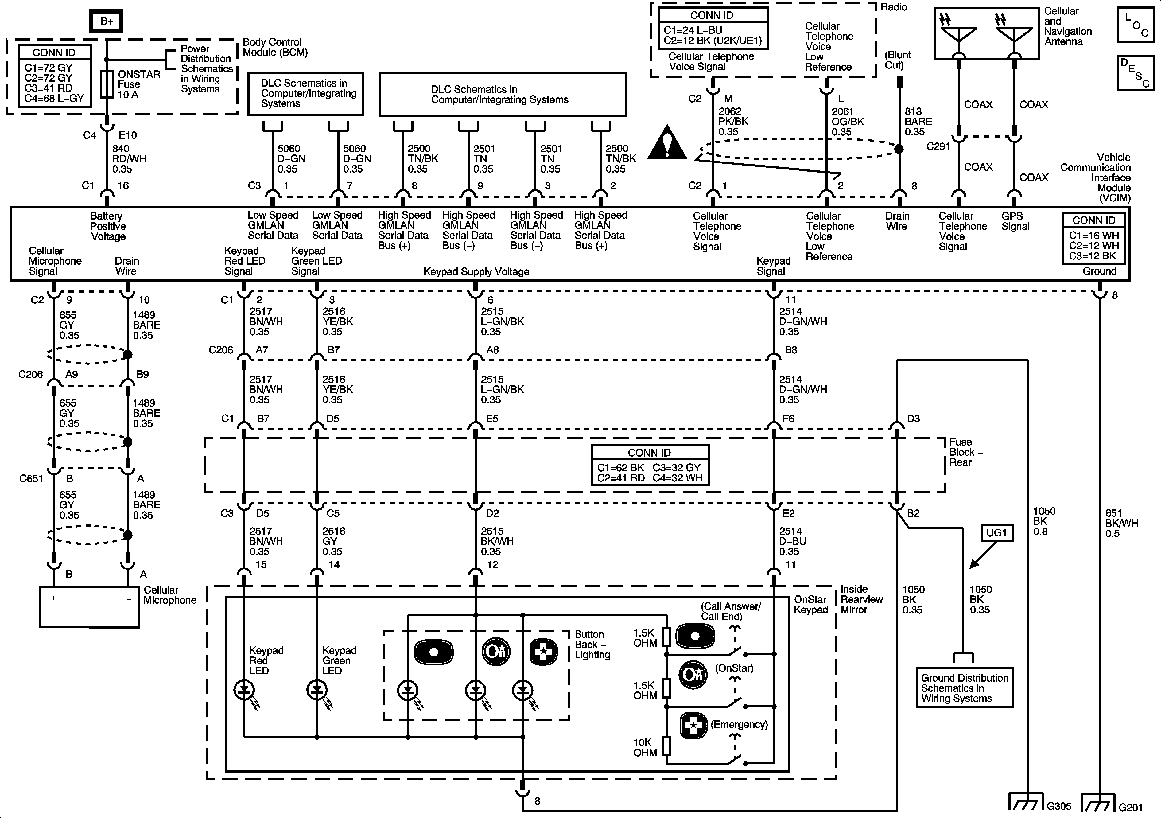
OnStar Communications
Master Electrical Component List
OnStar Description and Operation
BCM - ONSTAR, PEDAL and POWER MIRRORS Fuses
BCM - ONSTAR, PEDAL and POWER MIRRORS Fuses
Low Speed Serial Data
Power, Ground and High Speed Serial Data
Cellular Communication Schematic Icons
G304 and G305
G304 and G305
G201