GM Service Manual Online
For 1990-2009 cars only
Makes
🢒
Pontiac
🢒
1985
🢒
Demonstrator
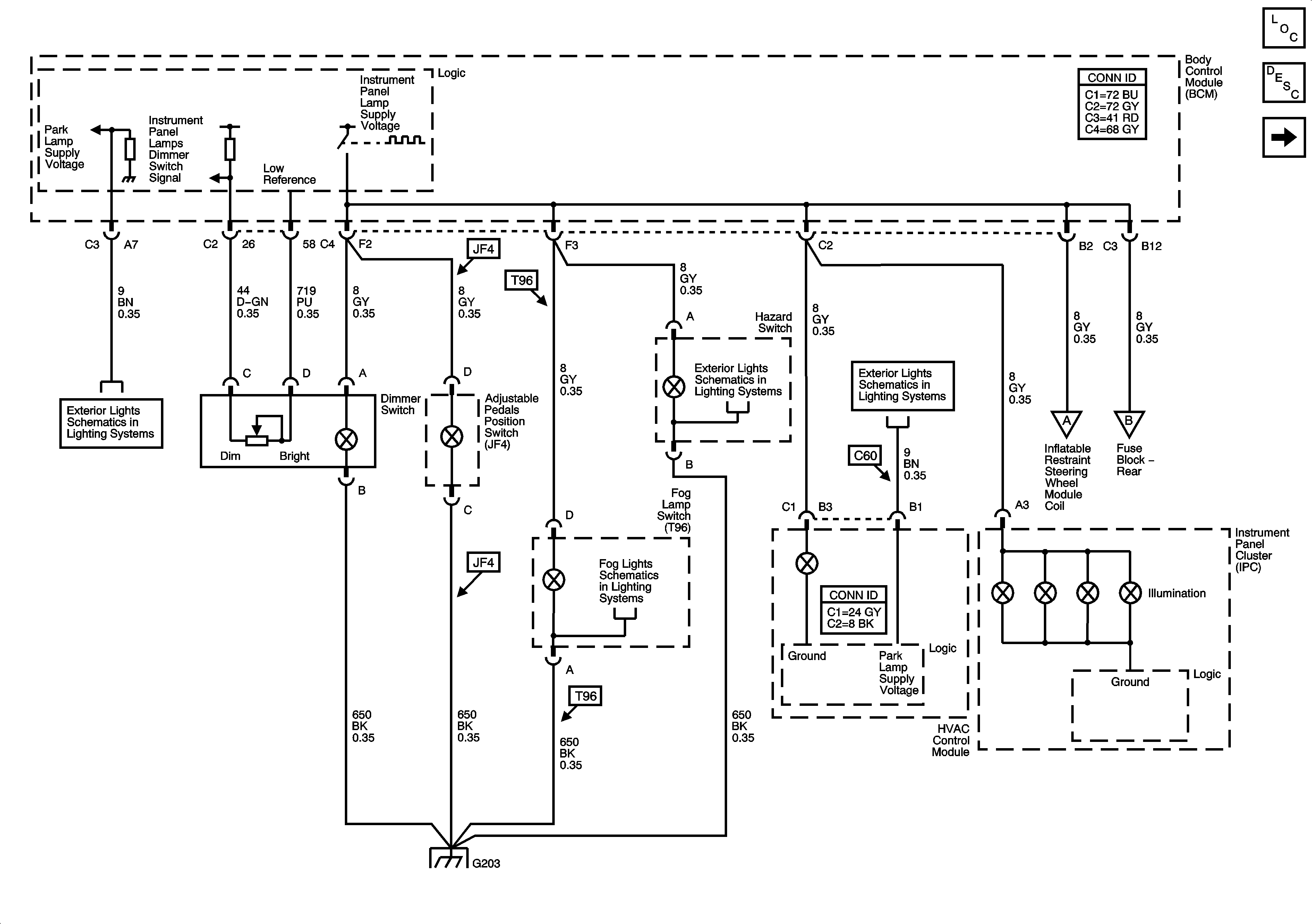
🢒 Dimmer Switch Inputs and Instrument Panel Lighting
Dimmer Switch Inputs and Instrument Panel Lighting
Dimmer Switch Inputs and Instrument Panel Lighting
Master Electrical Component List
Interior Lighting Systems Description and Operation
Steering Wheel and Doors
Park Lamp Relay, Park/Turn Signal Lamps and Tail Lamps
Ambient Light Sensor, Brake Pedal Position Sensor, Grounds, Hazard Switch, Serial Data and Turn Signal/Multifunction Switch
Park Lamp Relay, Park/Turn Signal Lamps and Tail Lamps
Steering Wheel and Doors
Steering Wheel and Doors
Fog Lamps
G203