GM Service Manual Online
For 1990-2009 cars only
Makes
🢒
Pontiac
🢒
1985
🢒
Demonstrator
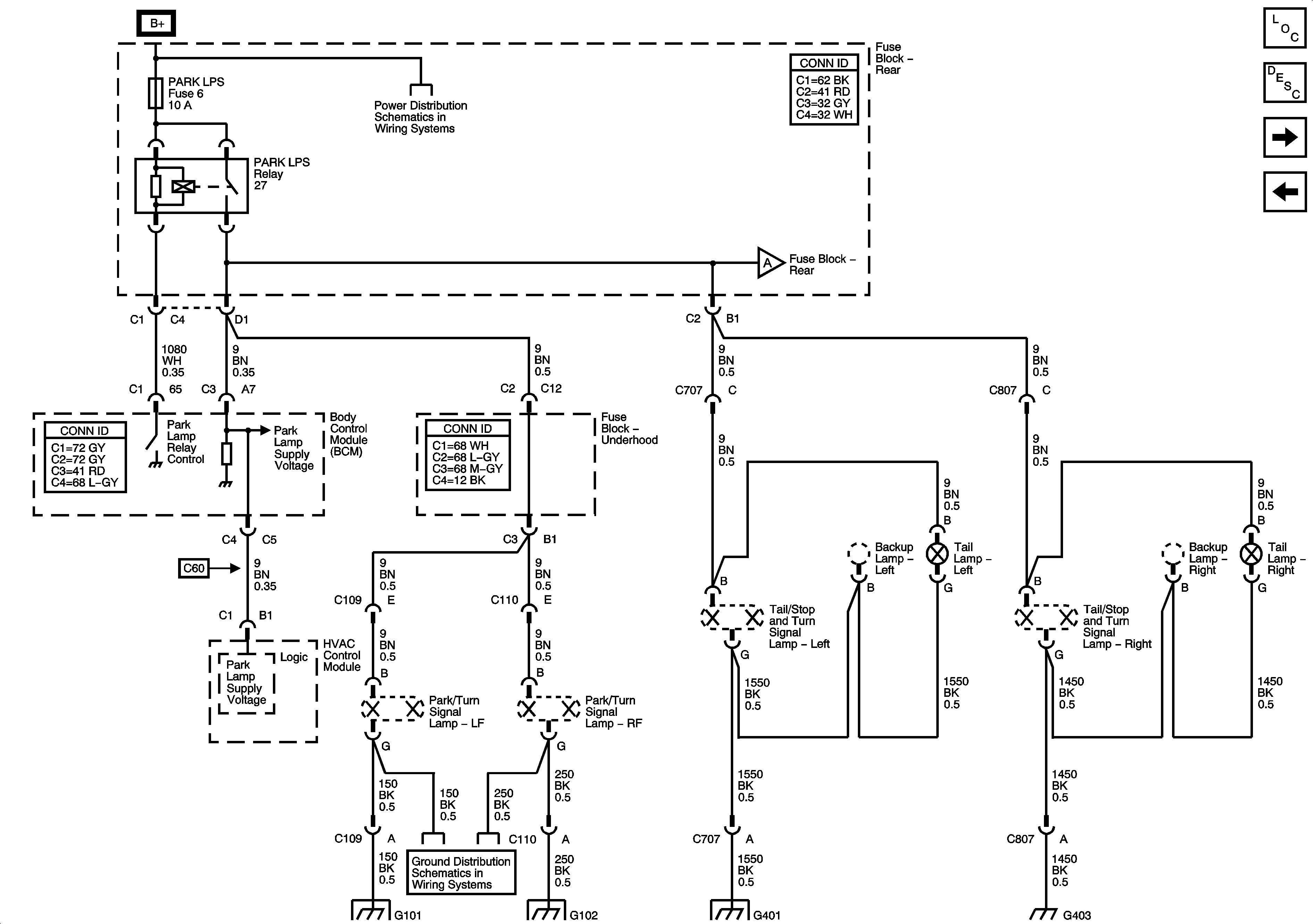
🢒 Park Lamp Relay, Park/Turn Signal Lamps and Tail Lamps
Park Lamp Relay, Park/Turn Signal Lamps and Tail Lamps
Park Lamp Relay, Park/Turn Signal Lamps and Tail Lamps
Master Electrical Component List
Exterior Lighting Systems Description and Operation
Backup Lamp Relay, Backup Lamps and License Lamps
Brake Lamp Diagnostic Resistor, CHMSL, Grounds and Park/Turn Signal Lamps
DRV ST, EMISSION 2, FUEL, PARK LPS, RBEC 2, RUN RLY, TRUNK Fuses, and FUEL, PARK LPS, TRUNK Relays, BCM - HVAC BLOWER, HVAC HEAD ECC Fuses
DRV ST, EMISSION 2, FUEL, PARK LPS, RBEC 2, RUN RLY, TRUNK Fuses, and FUEL, PARK LPS, TRUNK Relays, BCM - HVAC BLOWER, HVAC HEAD ECC Fuses
Backup Lamp Relay, Backup Lamps and License Lamps
G101 and G102
G101 and G102
G101 and G102
G401 and G403
G401 and G403