GM Service Manual Online
For 1990-2009 cars only
Makes
🢒
Pontiac
🢒
1996
🢒
Firebird
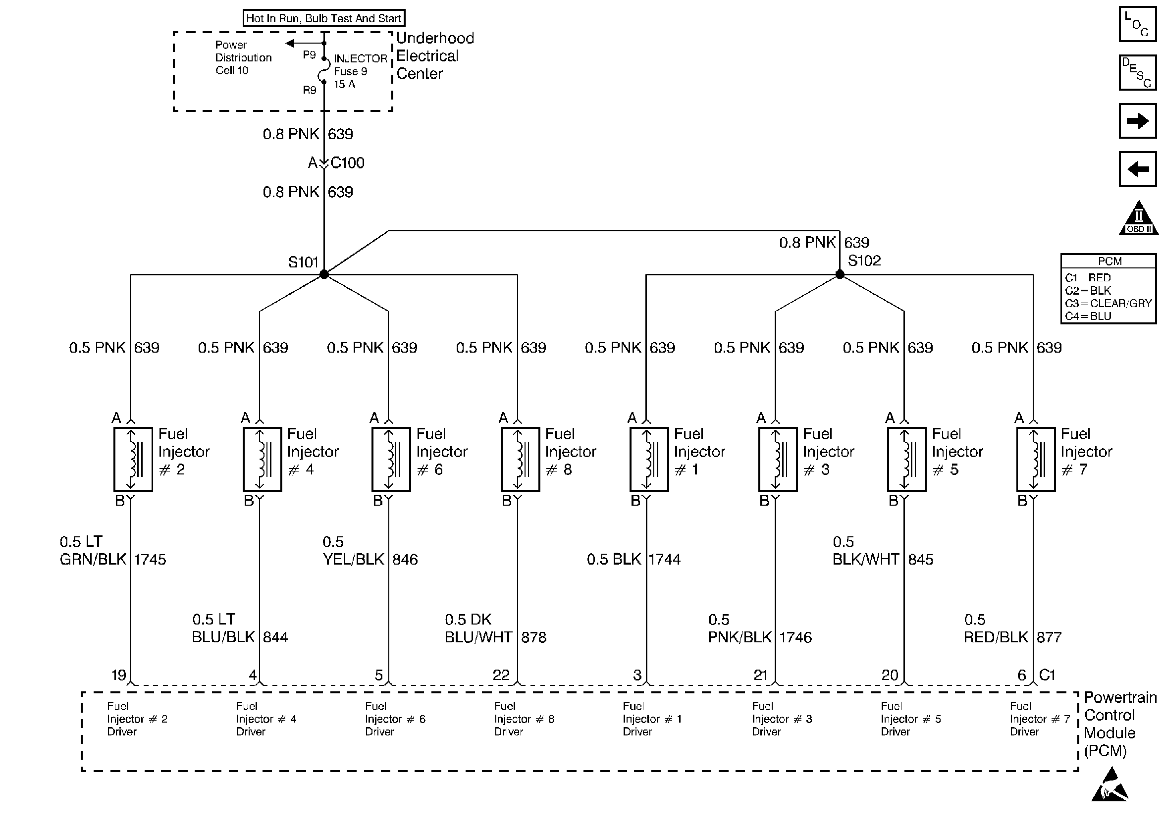
🢒 Fuel Injectors
Fuel Injectors
Fuel Injectors
Engine Controls Components
Fuel Metering System Components
Engine Data Sensors
Fuel Pump
OBD II Symbol Description Notice
Handling ESD Sensitive Parts Notice