GM Service Manual Online
For 1990-2009 cars only
Makes
🢒
Pontiac
🢒
1996
🢒
Firebird
🢒 Engine Data Sensors
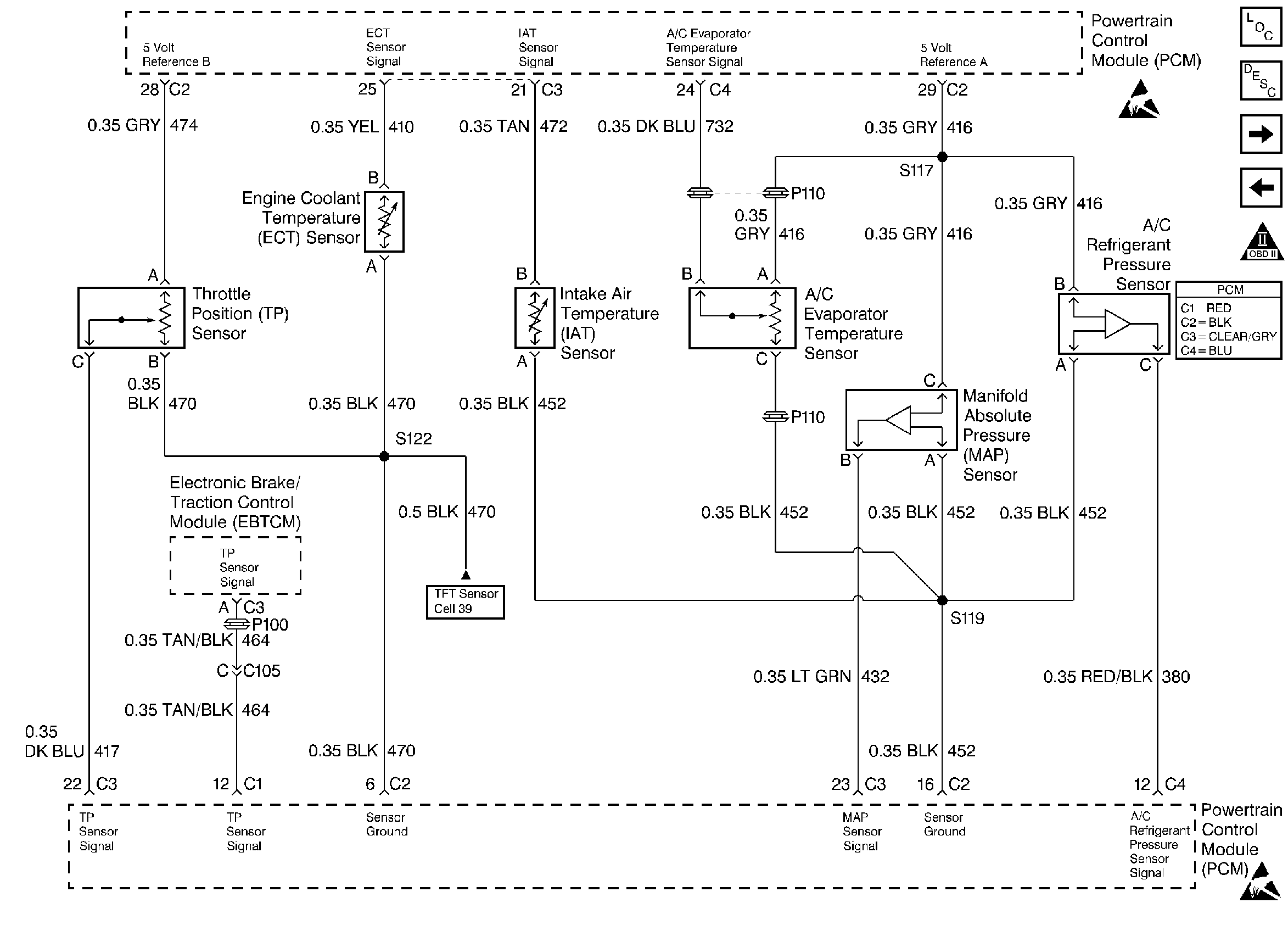
Engine Data Sensors
Engine Data Sensors
Engine Controls Components
Information Sensors
Heated Oxygen Sensors
Fuel Injectors
OBD II Symbol Description Notice
Handling ESD Sensitive Parts Notice
Handling ESD Sensitive Parts Notice