GM Service Manual Online
For 1990-2009 cars only
Makes
🢒
Pontiac
🢒
1998
🢒
Firebird
🢒
Body and Accessories
🢒
Roof
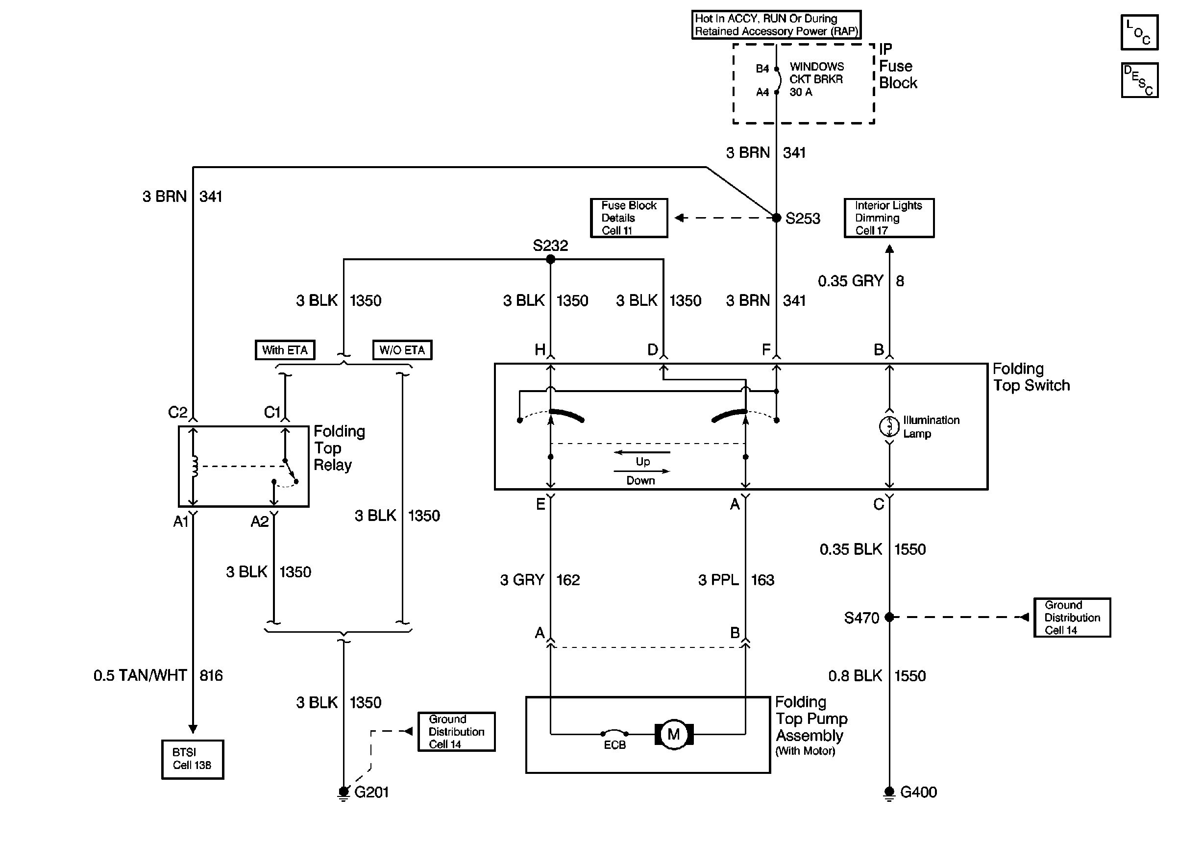
🢒 Folding Top Schematics
Cell 121
Power Roof Systems Components
Power Folding Top Circuit Description
Interior Lights Dimming Schematics
Fuse Block Schematics
Shift Lock Control Schematics
Ground Distribution Schematics
Ground Distribution Schematics