GM Service Manual Online
For 1990-2009 cars only
Makes
🢒
Pontiac
🢒
1998
🢒
Firebird
🢒 Fuel System
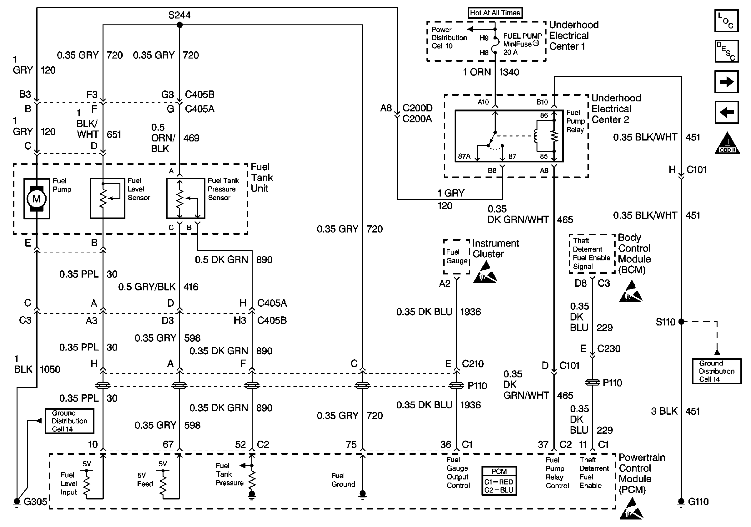
Fuel System
Fuel System
Engine Controls Components
Information Sensors/Switches Description
Injector Circuits
Engine Speed Output, CKP and CMP Sensors
OBD II Symbol Description Notice
Handling ESD Sensitive Parts Notice
Handling ESD Sensitive Parts Notice
Handling ESD Sensitive Parts Notice
Ground Distribution Schematics
Ground Distribution Schematics
Power Distribution Schematics