GM Service Manual Online
For 1990-2009 cars only
Makes
🢒
Pontiac
🢒
1998
🢒
Firebird
🢒 Information Sensors
Information Sensors
Information Sensors
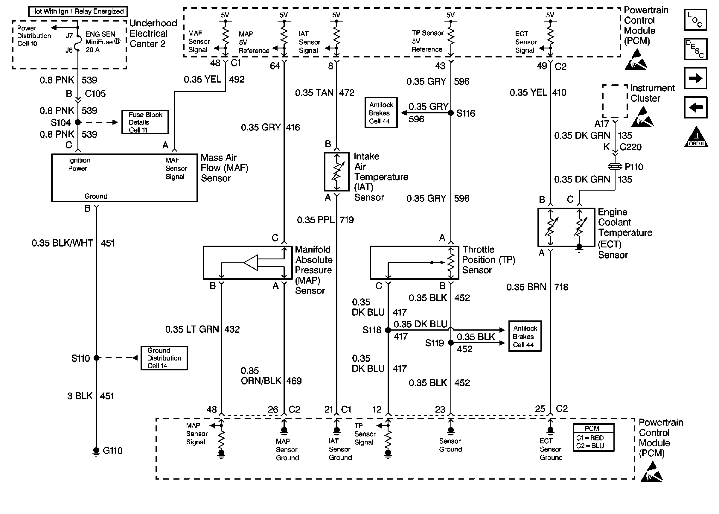
Engine Controls Components
Information Sensors/Switches Description
Heated Oxygen Sensors
Injector Circuits
OBD II Symbol Description Notice
Handling ESD Sensitive Parts Notice
Power Distribution Schematics
Fuse Block Schematics
Ground Distribution Schematics
ABS/TCS Schematics
ABS/TCS Schematics
Handling ESD Sensitive Parts Notice
Handling ESD Sensitive Parts Notice