GM Service Manual Online
For 1990-2009 cars only
Makes
🢒
Pontiac
🢒
1998
🢒
Firebird
🢒 Engine Cooling Fan
Engine Cooling Fan
Engine Cooling Fan
Engine Controls Components
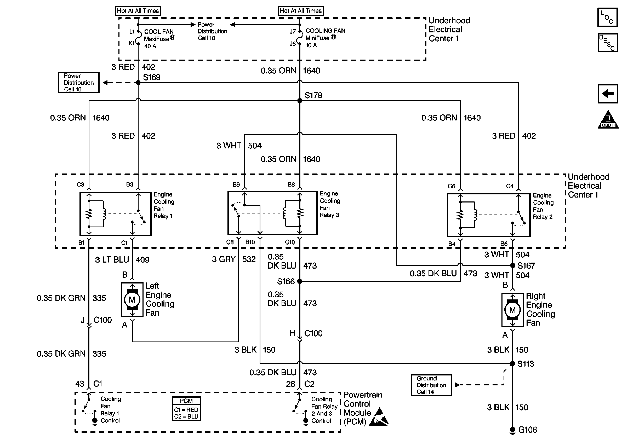
Engine Cooling Fan Description - Electric
A/C System
OBD II Symbol Description Notice
Handling ESD Sensitive Parts Notice
Power Distribution Schematics
Ground Distribution Schematics