GM Service Manual Online
For 1990-2009 cars only
Makes
🢒
Pontiac
🢒
1998
🢒
Firebird
🢒 A/C System
A/C System
A/C System
Engine Controls Components
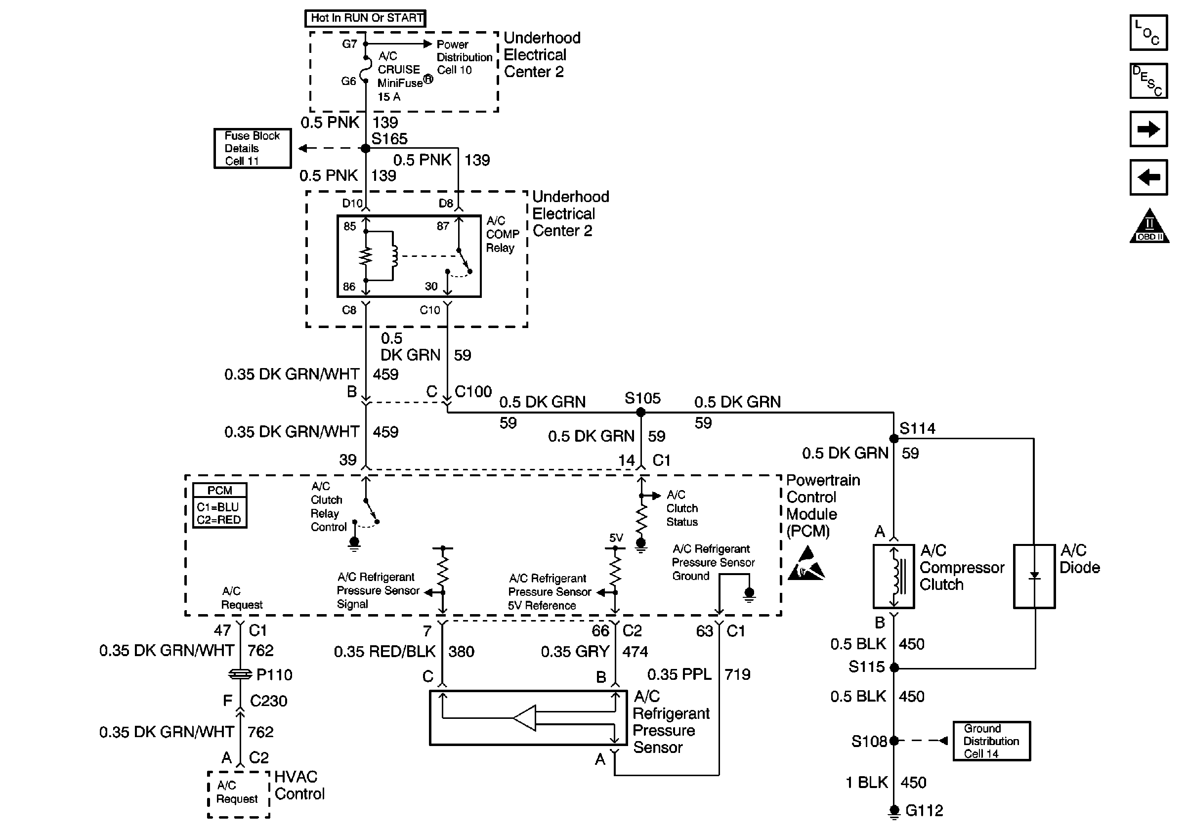
Powertrain Control Module Controlled Air Conditioning Description
Engine Cooling Fan
Transmission
OBD II Symbol Description Notice
Handling ESD Sensitive Parts Notice
Power Distribution Schematics
Ground Distribution Schematics
Fuse Block Schematics