GM Service Manual Online
For 1990-2009 cars only
Makes
🢒
Pontiac
🢒
1998
🢒
Firebird
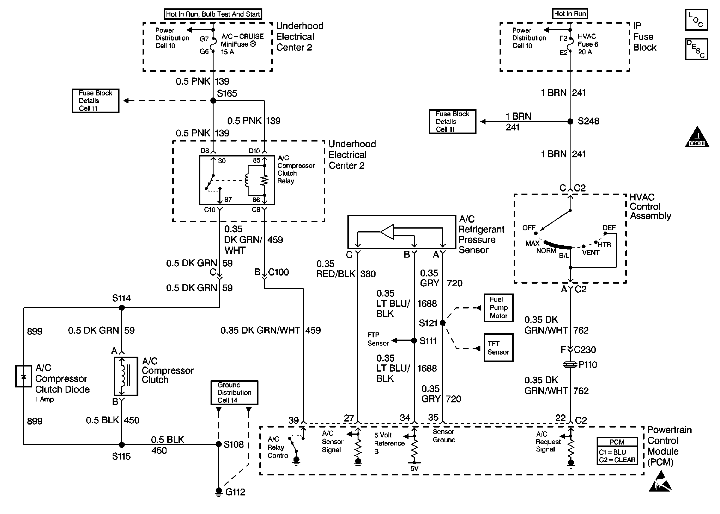
🢒 A/C HVAC Control
A/C HVAC Control
A/C HVAC Control
Engine Controls Components
Powertrain Control Module Controlled Air Conditioning Description
Cooling Fans
Trans Range
OBD II Symbol Description Notice
Powertrain Control Module Connector End Views
Handling ESD Sensitive Parts Notice
Power Distribution Schematics
Power Distribution Schematics
Fuse Block Schematics
Fuse Block Schematics
Ground Distribution Schematics