GM Service Manual Online
For 1990-2009 cars only
Makes
🢒
Pontiac
🢒
1998
🢒
Firebird
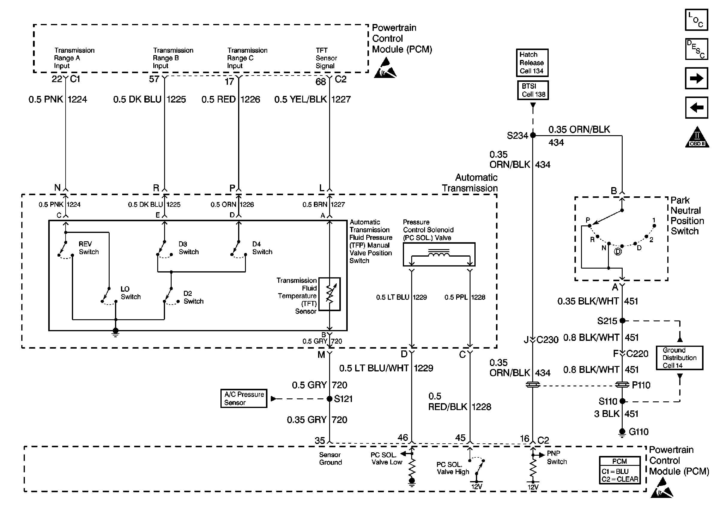
🢒 Trans Range
Trans Range
Trans Range
Engine Controls Components
Electronic Component Description
A/C HVAC Control
Brake Switch, TCC Solenoid
Handling ESD Sensitive Parts Notice
Handling ESD Sensitive Parts Notice
Powertrain Control Module Connector End Views
Handling ESD Sensitive Parts Notice
Ground Distribution Schematics
Shift Lock Control Schematics
Release Systems Schematics