GM Service Manual Online
For 1990-2009 cars only
Makes
🢒
Pontiac
🢒
1998
🢒
Firebird
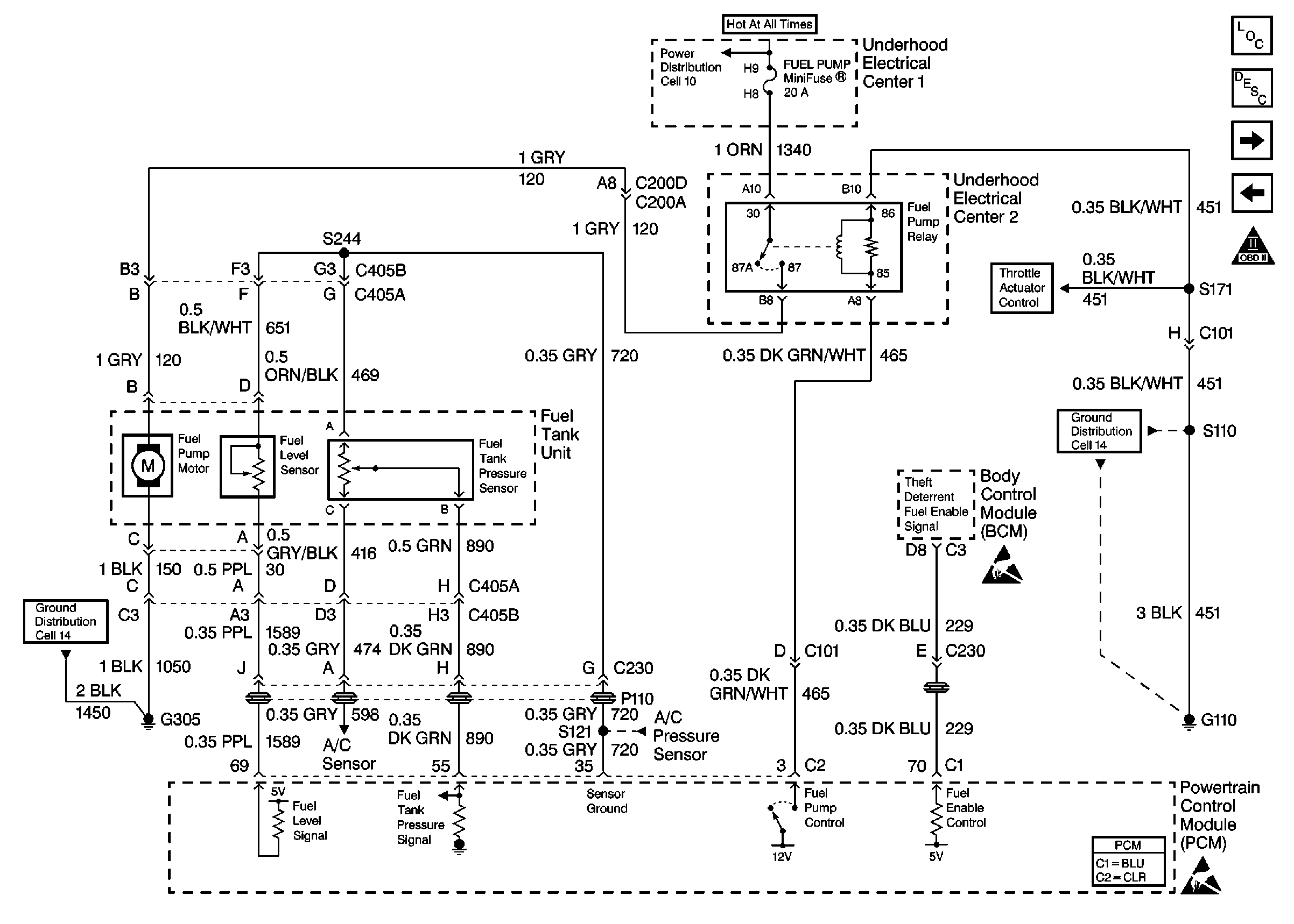
🢒 Fuel Pump Controls
Fuel Pump Controls
Fuel Pump Controls
Engine Controls Components
Powertrain Control Module Description
Fuel Injectors
Power, Ground and MIL
OBD II Symbol Description Notice
Fusible Links, IP Fuse Block, and Underhood Electrical Centers
Ground for TAC Module
G110 V6 VIN K
Handling ESD Sensitive Parts Notice
Handling ESD Sensitive Parts Notice
G305, G310, G320
A/C HVAC Control
A/C HVAC Control