GM Service Manual Online
For 1990-2009 cars only
Makes
🢒
Pontiac
🢒
1998
🢒
Firebird
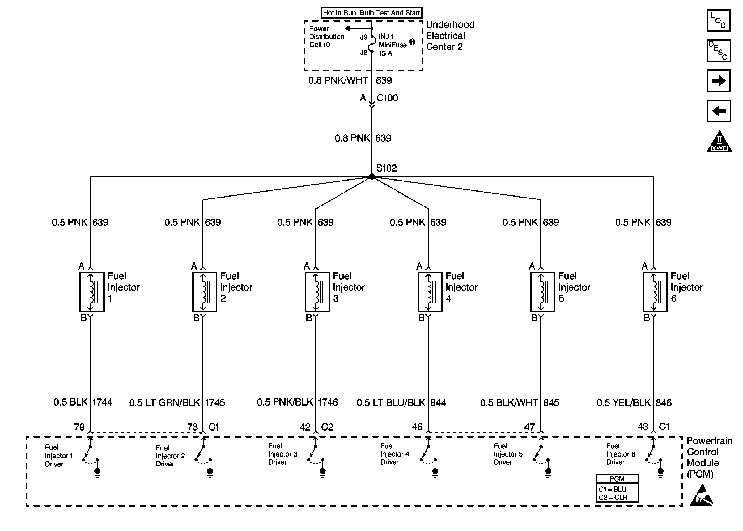
🢒 Fuel Injectors
Fuel Injectors
Fuel Injectors
Engine Controls Components
Powertrain Control Module Description
TP, MAP, ECT, IAT Sensors
Fuel Pump Controls
OBD II Symbol Description Notice
Ignition Switch and Underhood Electrical Center 2
Handling ESD Sensitive Parts Notice