GM Service Manual Online
For 1990-2009 cars only

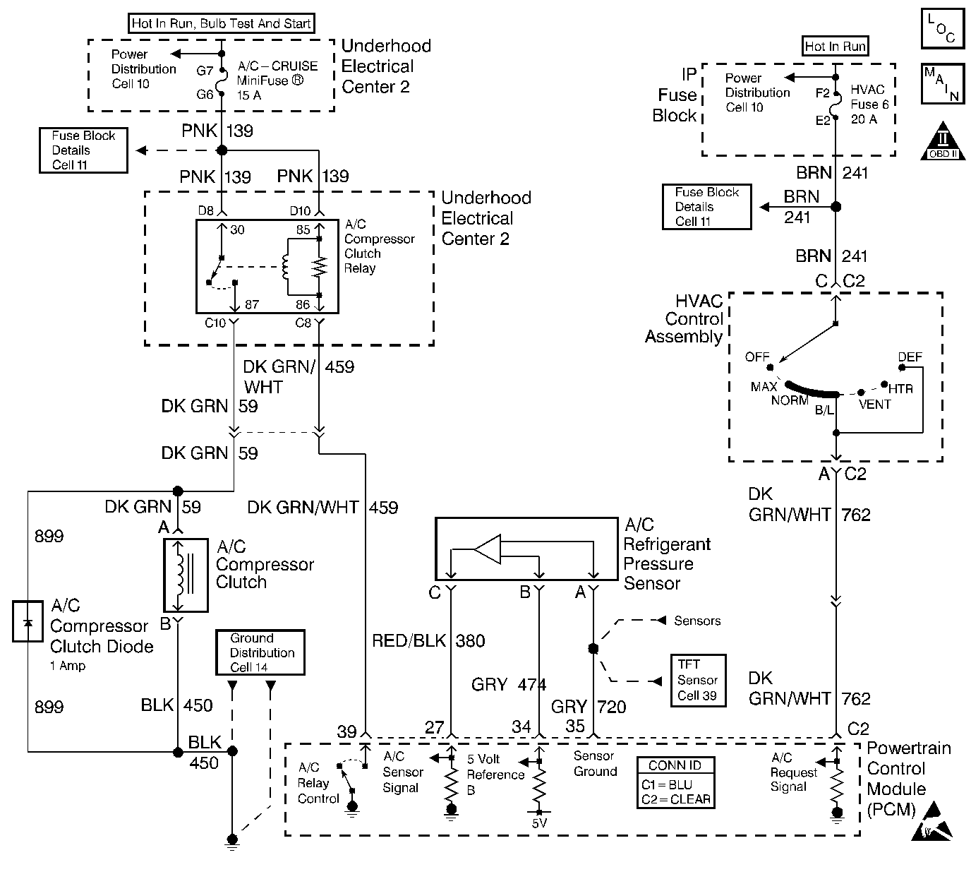
Object Number: 248315  Size: LF
Engine Controls Components
A/C HVAC Control
OBD II Symbol Description Notice
Handling ESD Sensitive Parts Notice

Circuit Description

Output Driver Modules (ODMs) are used by the PCM to turn on many of the current-driven devices that are needed to control various engine and Transaxle functions. Each ODM is capable of controlling up to 7 separate outputs by applying ground to the device which the PCM is commanding ON. Unlike the Quad Driver Modules (QDMs) used in prior model years, ODMs have the capability of diagnosing each output circuit individually. DTC P1641 set indicates an improper voltage level has been detected on the output circuit which controls the A/C compressor control relay.

Conditions for Setting the DTC

    • The ignition is ON.
    • An improper voltage level has been detected on the output circuit which controls the A/C compressor control relay.
    • The above conditions are present for at least 30 seconds.

Action Taken When the DTC Sets

    • The PCM will not illuminate the Malfunction Indicator Lamp (MIL).
    • The PCM will store conditions which were present when the DTC set as Fail Records data only. This information will not be stored as Freeze Frame data.

Conditions for Clearing the MIL/DTC

    • A history DTC will clear after 40 consecutive warm-up cycles have occurred without a malfunction.
    • DTC can be cleared by using the scan tool Clear Info function or by disconnecting the PCM battery feed.

Diagnostic Aids

Check for the following conditions:

    • Poor connection at the PCM. Inspect harness connectors for backed out terminals, improper mating, broken locks, improperly formed or damaged terminals, and poor terminal to wire connection.
    • Damaged harness. Inspect the wiring harness for damage. If the harness appears to be OK, disconnect the PCM, turn the ignition ON and observe a DMM connected between the A/C compressor control relay control circuit and ground at the PCM harness connector while moving connectors and wiring harnesses related to the A/C compressor control relay. A change in voltage will indicate the location of the malfunction.

Review the Fail Records vehicle mileage since the diagnostic test last failed. This may help determine how often the condition that caused the DTC to be set occurs.

Test Description

The number(s) below refer to Step number(s) on the diagnostic table:

  1. Stored diagnostic trouble codes may disable the A/C compressor. This diagnostic table may lead to improper diagnosis and replacement of good parts if diagnostic trouble codes are present.

  2. The A/C compressor clutch should engage if the appropriate conditions have been met.

  3. The A/C compressor clutch should not be engaged with the engine running if an A/C mode is not selected at the control head.

  4. Checks for an A/C request signal from the control head to the PCM.

  5. Checks the ignition positive voltage circuit to the A/C relay.

  6. Determines whether the A/C relay or the circuitry is at fault.

  7. Determines if the PCM is turning the A/C relay ON due to a false A/C request.

  8. Isolates the problem to the A/C control head or the PCM.

  9. Determines if the A/C relay is malfunctioning or the A/C relay control circuit is grounded all the time.

  10. This vehicle is equipped with a PCM which utilizes an Electrically Erasable Programmable Read Only Memory (EEPROM). When the PCM is being replaced, the new PCM must be programmed.

DTC P1641 -- A/C Relay Control Circuit

Step

Action

Value(s)

Yes

No

1

Was the Powertrain On-Board Diagnostic (OBD) System Check performed?

--

Go to Step 2

Go to the Powertrain On Board Diagnostic (OBD) System Check

2

Are any other powertrain DTCs stored?

--

Diagnose other DTCs first.

Go to Step 3

3

Important:: Before continuing with diagnosis, the following conditions must be met:

   • Intake air temperature greater than 9° C (48° F).
   • Engine coolant temperature less than 119° C (246° F).

  1. With the A/C OFF, start and idle the engine.
  2. Observe the A/C compressor.

Is the A/C compressor clutch engaged?

--

Go to Step 21

Go to Step 4

4

  1. Run the engine at 1000-1500 RPM.
  2. Select an A/C mode on HVAC control head.
  3. Observe the A/C compressor.

Is the A/C compressor clutch engaged?

--

Go to Diagnostic Aids

Go to Step 5

5

With an A/C mode still selected, observe A/C Request on the scan tool.

Does A/C Request display Yes?

--

Go to Step 9

Go to Step 6

6

  1. Turn OFF the ignition switch.
  2. Disconnect the PCM.
  3. Turn ON the ignition switch.
  4. With an A/C mode still selected, measure voltage on the A/C request circuit at the PCM harness connector.

Does the voltage measure near the specified value?

B+

Go to Step 8

Go to Step 7

7

  1. Check the A/C request circuit for the following conditions:
  2. • Open.
    • Shorted to ground.
    • Poor connection at the A/C control head or A/C programmer (as applicable).
  3. If a problem is found, repair as necessary. Refer to Wiring Repairs .

Was a problem found?

--

Go to Step 38

Go to Diagnosis in Manual Control Air Conditioning

8

  1. Check the A/C request circuit for a poor connection at the PCM.
  2. If a problem is found, repair as necessary. Refer to Wiring Repairs .

Was a problem found?

--

Go to Step 38

Go to Step 36

9

Observe A/C Refrigerant Pressure on the scan tool.

Is indicated A/C pressure between the specified values?

0.35-4.27 V

Go to Step 12

Go to Step 10

10

  1. Connect a J 39500 Refrigerant Recovery, Recycling, and Recharging Station to monitor high side refrigerant pressure. Refer to Heater, Ventilation and Air Conditioning.
  2. Observe high side refrigerant pressure on the gauge.

Is high side refrigerant pressure within the specified values?

234-2854 kPa

(34-414 psi)

Go To Step 11

Go to Refrigerant Recovery and Recycling, Adding Oil, Evacuating and Recharging Procedures in Heater, Ventilation and Air Conditioning

11

  1. Turn OFF the ignition switch.
  2. Disconnect the PCM and the A/C refrigerant pressure sensor.
  3. Measure the resistance of the following circuits between the PCM and the A/C refrigerant pressure sensor:
  4. • The A/C refrigerant pressure sensor signal circuit.
    • The 5 volt reference B circuit.
    • The sensor ground circuit.
  5. If any resistance is higher than the specified value, locate and repair cause of high resistance in circuit as necessary. Refer to Wiring Repairs .

Was a problem found?

5 ohms

Go to Step 38

Go to Step 18

12

  1. Disconnect the A/C relay electrical connector.
  2. Probe both ignition positive voltage circuits at the A/C relay harness connector with a test light to ground.

Is the test light ON?

--

Go to Step 13

Go To Step 31

13

Connect a fused jumper between the ignition positive voltage circuit and A/C compressor clutch control circuit (CKT 59) at the A/C relay connector.

Does the A/C compressor clutch engage?

--

Go to Step 14

Go to Step 15

14

  1. Check for poor connections at A/C relay.
  2. If a problem is found, replace faulty terminals as necessary. Refer to Wiring Repairs .

Was a problem found?

--

Go to Step 38

Go to Step 32

15

  1. Disconnect the A/C compressor clutch electrical connector (leave the ignition positive voltage circuit and A/C compressor clutch control circuit (CKT 59) jumpered at the A/C relay connector).
  2. Connect a test light between A/C compressor clutch control circuit (CKT 59) and the compressor ground circuit.

Is the test light ON?

--

Go to Step 16

Go to Step 17

16

  1. Check for poor connections at the A/C compressor clutch.
  2. If a problem is found, replace faulty terminals as necessary. Refer to Wiring Repairs .

Was a problem found?

--

Go to Step 38

Go to Step 34

17

  1. Check for an open or short to ground in the A/C compressor clutch control circuit (CKT 59).
  2. If a problem is found, repair as necessary. Refer to Wiring Repairs .

Was a problem found?

--

Go to Step 38

Go to Step 35

18

  1. Leave the PCM and the A/C refrigerant pressure sensor disconnected.
  2. Turn ON the ignition switch.
  3. Using a J 39200 Digital Multimeter, measure voltage between the A/C refrigerant pressure signal circuit and ground.

Does the voltage measure near the specified value?

0 V

Go to Step 19

Go to Step 20

19

  1. Check for the following conditions:
  2. • The 5 volt reference B circuit for a poor connection at the PCM.
    • The 5 volt reference B circuit for a poor connection at the A/C refrigerant pressure sensor.
    • The A/C refrigerant pressure signal circuit for a poor connection at the PCM.
    • The A/C refrigerant pressure signal circuit for a poor connection at the A/C refrigerant pressure sensor.
    • The sensor ground circuit for a poor connection at the A/C refrigerant pressure sensor.
  3. If a problem is found, repair as necessary. Refer to Wiring Repairs .

Was a problem found?

--

Go to Step 38

Go to Step 37

20

Locate and repair short to voltage in the A/C refrigerant pressure signal circuit.

Is action complete?

--

Go to Step 38

--

21

  1. Turn ON the ignition switch.
  2. A/C OFF
  3. Observe A/C Request on the scan tool.

Does A/C Request display Yes?

--

Go To Step 22

Go To Step 24

22

  1. Turn OFF the ignition switch.
  2. Disconnect the PCM.
  3. Turn ON the ignition switch.
  4. A/C OFF.
  5. Using a J 39200 Digital Multimeter, measure voltage between the A/C request circuit at the PCM harness connector and ground.

Does the voltage measure near the specified value?

B+

Go To Step 23

Go to Step 36

23

  1. Turn OFF the ignition switch.
  2. Disconnect the HVAC control head.
  3. Turn ON the ignition switch.
  4. Check the A/C request circuit for a short to B+.
  5. If a problem is found, repair as necessary. Refer to Wiring Repairs .

Was a problem found?

--

Go to Step 38

Go to Diagnosis in Manual Control Air Conditioning

24

  1. Disconnect the A/C relay.
  2. Start the vehicle.
  3. Observe the A/C compressor.

Is the A/C compressor clutch engaged?

--

Go to Step 29

Go to Step 25

25

Probe the A/C compressor clutch control circuit (CKT 59) at the A/C relay harness connector with a test light to ground.

Is the test light ON?

--

Go to Step 26

Go to Step 27

26

Replace the A/C relay.

Is action complete?

--

Go to Step 38

--

27

  1. Turn OFF the ignition switch.
  2. Disconnect the PCM.
  3. Probe the A/C relay control circuit at the PCM connector with a test light connected to B+.

Is the test light ON?

--

Go to Step 28

Go to Step 36

28

Repair short to ground in the A/C compressor clutch relay control circuit. Refer to Wiring Repairs .

Is action complete?

--

Go to Step 38

--

29

  1. Turn OFF the ignition switch.
  2. Disconnect the A/C compressor clutch electrical connector.
  3. Start the engine.
  4. Observe the A/C compressor.

Is the A/C compressor clutch engaged?

--

Go To Step 34

Go to Step 30

30

Locate and repair short to voltage in the A/C compressor clutch control circuit (CKT 59). Refer to Wiring Repairs .

Is action complete?

--

Go to Step 38

--

31

Repair open or short to ground in the ignition positive voltage circuit to the A/C compressor relay. Refer to Wiring Repairs .

Is action complete?

--

Go to Step 38

--

32

Check the A/C relay control circuit for a open or short to voltage.

Was problem found and repaired?

--

Go to Step 38

Go to Step 33

33

Replace the A/C compressor relay.

Is action complete?

--

Go to Step 38

--

34

Repair the A/C compressor clutch. Refer to V5 Air Conditioning Compressor .

Is action complete?

--

Go to Step 38

--

35

Locate and repair open in the A/C compressor clutch ground circuit (CKT 450).

Is action complete?

--

Go to Step 38

--

36

Replace the PCM.

Important:: The replacement PCM must be programmed. Refer to Powertrain Control Module Replacement/Programming .

Is action complete?

--

Go to Step 38

--

37

Replace the A/C refrigerant pressure sensor. Refer to On-Vehicle Service in Heater, Ventilation and Air Conditioning.

Is action complete?

--

Go to Step 38

--

38

Important:: Before continuing with diagnosis, the following conditions must be met:

   • Intake air temperature greater than 9° C (48° F).
   • Engine coolant temperature less than 119° C (246° F).

  1. With the A/C OFF, start and idle the engine.
  2. Observe the A/C compressor.

Is the A/C compressor clutch engaged?

--

Go to Step 21

Go to Step 39

39

  1. Run the engine at 1000-1500 rpm.
  2. Select an A/C mode on the HVAC control head.
  3. Observe A/C compressor.

Is the A/C compressor clutch engaged?

--

System OK

Go to Step 5