GM Service Manual Online
For 1990-2009 cars only

DTC 22/32 Courtesy Lamps Return Shorted to Battery Coupe


Object Number: 361770  Size: LF
Handling ESD Sensitive Parts Notice
Ground Distribution Schematics
Body Control System Schematics Without Door Jamb Switches
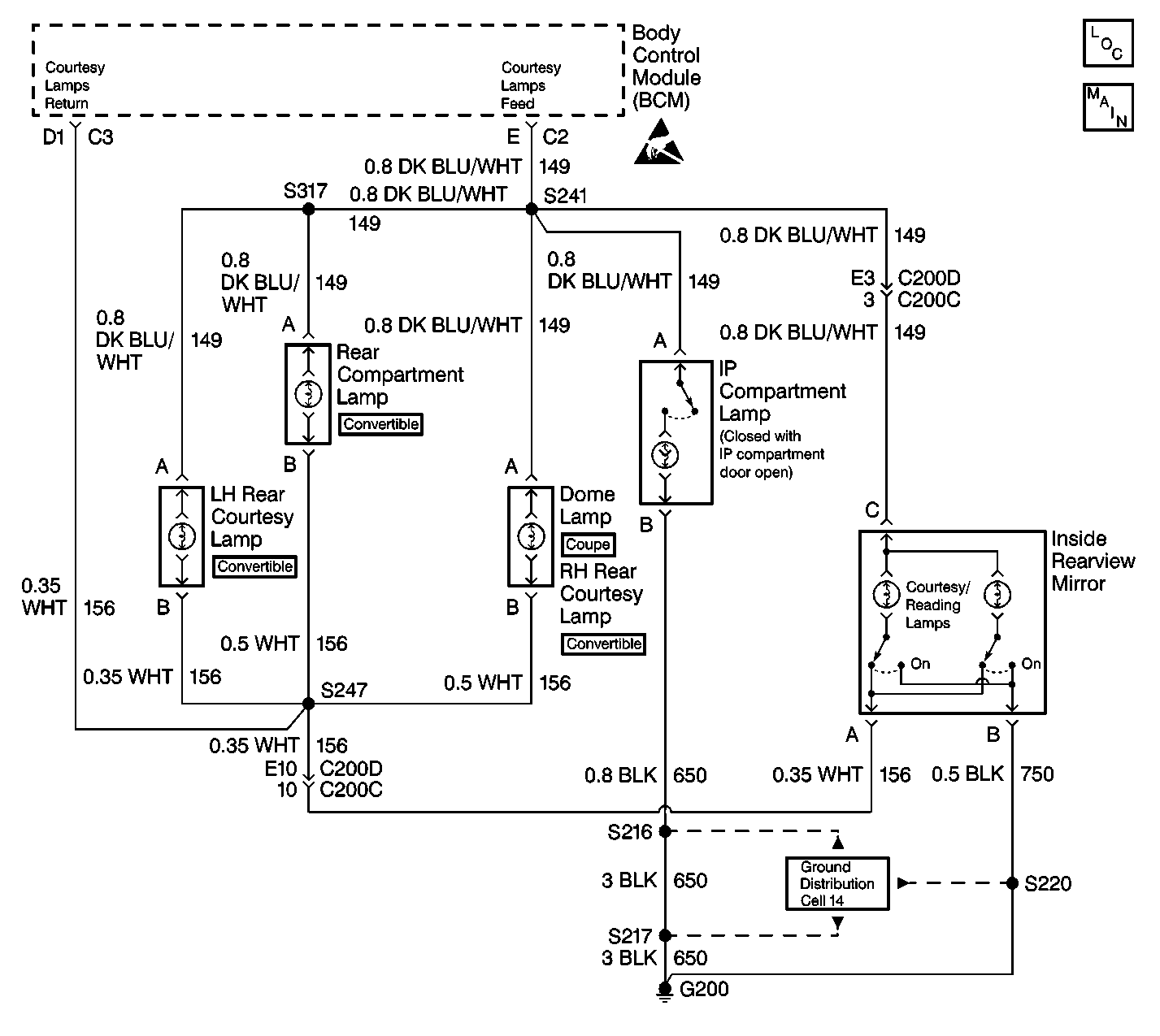
Body Control Module Components

Circuit Description

The following inputs command the body control module (BCM) to provide a ground path to the courtesy lamps on CKT 156 to S247:

    • The instrument panel (IP) dimmer switch input
    • The right or left side door lock input
    • The right or left door jamb switch input
    • The rear compartment lid ajar indication switch input

S247 distributes the ground to the following components:

    • The dome lamp
    • The courtesy/reading lamps

Conditions for Setting the DTC

Circuit 156 (courtesy lamps return) is shorted to B+ for greater than 50 milliseconds, while the BCM is attempting to ground the circuit. The BCM grounds circuit 156 if one of the following actions occurs:

    • Either door is opened.
    • The rear compartment lid is opened.
    • The IP dimmer switch is turned on.

Action Taken When the DTC Sets

    • DTC 22 will set.
    •  There is no courtesy lighting in the vehicle.
    • The IP dimmer switch is inoperative.
    • The IP compartment lamp operates normally.
    • The BCM will read out a series of flash codes upon entering the diagnostic mode.

Conditions for Clearing the DTC

The fault is corrected and the DTC memory is cleared.

Diagnostic Aids

If the only DTC that flashes is a HISTORY code (DTC 32), the problem may be intermittent. Perform the test shown while "wiggling" the wiring and connectors. This can often cause the fault to appear. Test for poor connections at the BCM connector, which could cause an open or an intermittent fault. Refer to Diagnostic Trouble Code (DTC) Displaying .

Test Description

The numbers below refer to the step numbers on the diagnostic table.

  1. This step tests CKT 156 for a short to B+ with the body control module disconnected.

  2. Knowing that there is a short to B+ in CKT 156, this test isolates the short to one side of connector C200.

  3. Knowing that the short is in the C200C side of CKT 156, this test isolates the short to either the harness or the rearview mirror.

  4. This step tests for a short between CKT 156 and CKT 149.

Step

Action

Value(s)

Yes

No

1

  1. Disconnect body control module (BCM) connector C2 and connector C3.
  2. Close the instrument panel compartment.
  3. Turn the ignition switch to the RUN position.
  4. Connect a test lamp from BCM connector C3 terminal D1 to the ground.

Does the test lamp light?

--

Go to Step 2

Go to Step 7

2

  1. Leave the test lamp connected.
  2. Disconnect connector C200C from connector C200D.

Does the test lamp light?

--

Go to Step 3

Go to Step 4

3

Repair a short B+ in CKT 156, between C200D and the BCM.

Is the repair complete?

--

System OK

--

4

  1. Leave the test lamp connected.
  2. Connect connector C200C to C200D.
  3. Disconnect the rearview mirror connector.

Does the test lamp light?

--

Go to Step 5

Go to Step 6

5

Repair a short to B+ in CKT 156, between C200C and the rearview mirror.

Is the repair complete?

--

System OK

--

6

Replace the rearview mirror.

Is the repair complete?

--

System OK

--

7

  1. Turn the rearview mirror courtesy/reading lamp switches to the ON position.
  2. Remove the bulb from the dome lamp socket.
  3. Using a DMM, test the resistance between BCM connector C2 terminal E and connector C3 terminal D1.

Does the DMM read infinite resistance?

infinite

Go to Step 8

Go to Step 9

8

  1. Inspect the lamp sockets for conditions which could cause the socket to short with the bulb installed.
  2. Inspect exposed filament wires on the base of the bulbs for a shorted condition.
  3. If OK, replace the BCM.

Is the repair complete?

--

System OK

--

9

Repair a short in the harness, between CKT 156 and CKT 149.

Is the repair complete?

--

System OK

--

DTC 22/32 Courtesy Lamps Return Shorted to Battery Convertible


Object Number: 361770  Size: LF
Handling ESD Sensitive Parts Notice
Ground Distribution Schematics
Body Control Module Components
Body Control System Schematics Without Door Jamb Switches

Circuit Description

The following inputs command the body control module (BCM) to provide a ground path to the courtesy lamps through CKT 156 to S247:

    • The instrument panel (IP) dimmer switch input
    • The right or left side door lock input
    • The right or left door jamb switch
    • The rear compartment lid ajar indication switch

S247 distributes the ground to the following components:

    • The right and left rear courtesy lamps
    • The rear compartment lamp
    • The courtesy/reading lamps

Conditions for Setting the DTC

CKT 156 (courtesy lamps return) is shorted to B+ for greater than 50 milliseconds, while the BCM is attempting to ground the circuit. The BCM grounds CKT 156 if one of the following actions occurs:

    • Either door is opened.
    • The rear compartment lid is opened.
    • The IP dimmer switch is turned on.

Action Taken When the DTC Sets

    • DTC 22 will set.
    • There is no courtesy lighting in the vehicle.
    • The IP dimmer switch is inoperative.
    • The console compartment and the IP compartment lamps operate normally.
    • The BCM will read out a series of flash codes upon entering the diagnostic mode.

Conditions for Clearing the DTC

The fault is corrected and the DTC memory is cleared.

Diagnostic Aids

If the only DTC that flashes is a HISTORY code (DTC 32), the problem may be intermittent. Perform the test shown while "wiggling" the wiring and connectors. This can often cause the fault to appear. Test for a poor connections at the BCM connector, which could cause an open or an intermittent fault. Refer to Diagnostic Trouble Code (DTC) Displaying .

Test Description

The numbers below refer to the step numbers on the diagnostic table.

  1. This step tests CKT 156 for a short to B+ with the body control module disconnected.

  2. Knowing that there is a short to B+ in CKT 156, this test isolates the short to one side of connector C200.

  3. Knowing that the short is in the C200C side of CKT 156, this test isolates the short to either the harness or the rearview mirror.

  4. This step tests for a short between CKT 156 and CKT 149.

Step

Action

Value(s)

Yes

No

1

  1. Disconnect body control module (BCM) connector C2 and connector C3.
  2. Close the instrument panel compartment.
  3. Turn the ignition switch to the RUN position.
  4. Connect a test lamp from BCM connector C3 terminal D1 to the ground.

Does the test lamp light?

--

Go to Step 2

Go to Step 7

2

  1. Leave the test lamp connected.
  2. Disconnect connector C200C from connector C200D.

Does the test lamp light?

--

Go to Step 3

Go to Step 4

3

Repair a short B+ in CKT 156, between C200D and the BCM.

Is the repair complete?

--

System OK

--

4

  1. Leave the test lamp connected.
  2. Connect connector C200C to C200D.
  3. Disconnect the rearview mirror connector.

Does the test lamp light?

--

Go to Step 5

Go to Step 6

5

Repair a short to B+ in CKT 156, between C200C and the rearview mirror.

Is the repair complete?

--

System OK

--

6

Replace the rearview mirror.

Is the repair complete?

--

System OK

--

7

  1. Turn the rearview mirror courtesy/reading lamp switches to the ON position.
  2. Remove the bulb from the following areas:
  3. • The left rear courtesy lamp socket
    • The right rear courtesy lamp socket
    • The rear compartment lamp socket
    • Using a DMM, test the resistance between BCM connector C2 terminal E and connector C3 terminal D1.

Does the DMM read infinite resistance?

infinite

Go to Step 8

Go to Step 9

8

  1. Inspect the lamp sockets for conditions which could cause the socket to short with the bulb installed.
  2. Inspect exposed filament wires on the base of the bulbs for a shorted condition.
  3. If OK, replace the BCM.

Is the repair complete?

--

System OK

--

9

Repair a short in the harness, between CKT 156 and CKT 149.

Is the repair complete?

--

System OK

--