GM Service Manual Online
For 1990-2009 cars only

Body Control System Schematics Without Door Jamb Switches

Figure 1:

Power and Ground


Object Number: 500454  Size: FS
Body Control Module Components
Body Control System Circuit Description
RAP Components
Power Distribution Schematics
Power Distribution Schematics
Power Distribution Schematics
Fuse Block Schematics
Power Distribution Schematics
Ground Distribution Schematics
Ground Distribution Schematics
Instrument Cluster: Analog Schematics
Handling ESD Sensitive Parts Notice
Handling ESD Sensitive Parts Notice
Figure 2:

RAP Components


Object Number: 500459  Size: FS
Body Control Module Components
Body Control System Circuit Description
System Outputs
Power and Ground
Handling ESD Sensitive Parts Notice
SIR Handling Caution
Handling ESD Sensitive Parts Notice
Figure 3:

System Outputs


Object Number: 500460  Size: FS
Body Control Module Components
Body Control System Circuit Description
Interior Lamps
RAP Components
Engine Controls Schematics
Engine Controls Schematics
Horn Schematics
Exterior Lights Schematics Europe and Scandinavia
Exterior Lights Schematics Japan
Exterior Lights Schematics Domestic
Release Systems Schematics
Audible Warnings Schematics
Door Lock/Indicator Schematics
SIR Schematics
Ground Distribution Schematics
Handling ESD Sensitive Parts Notice
Handling ESD Sensitive Parts Notice
Ground Distribution Schematics
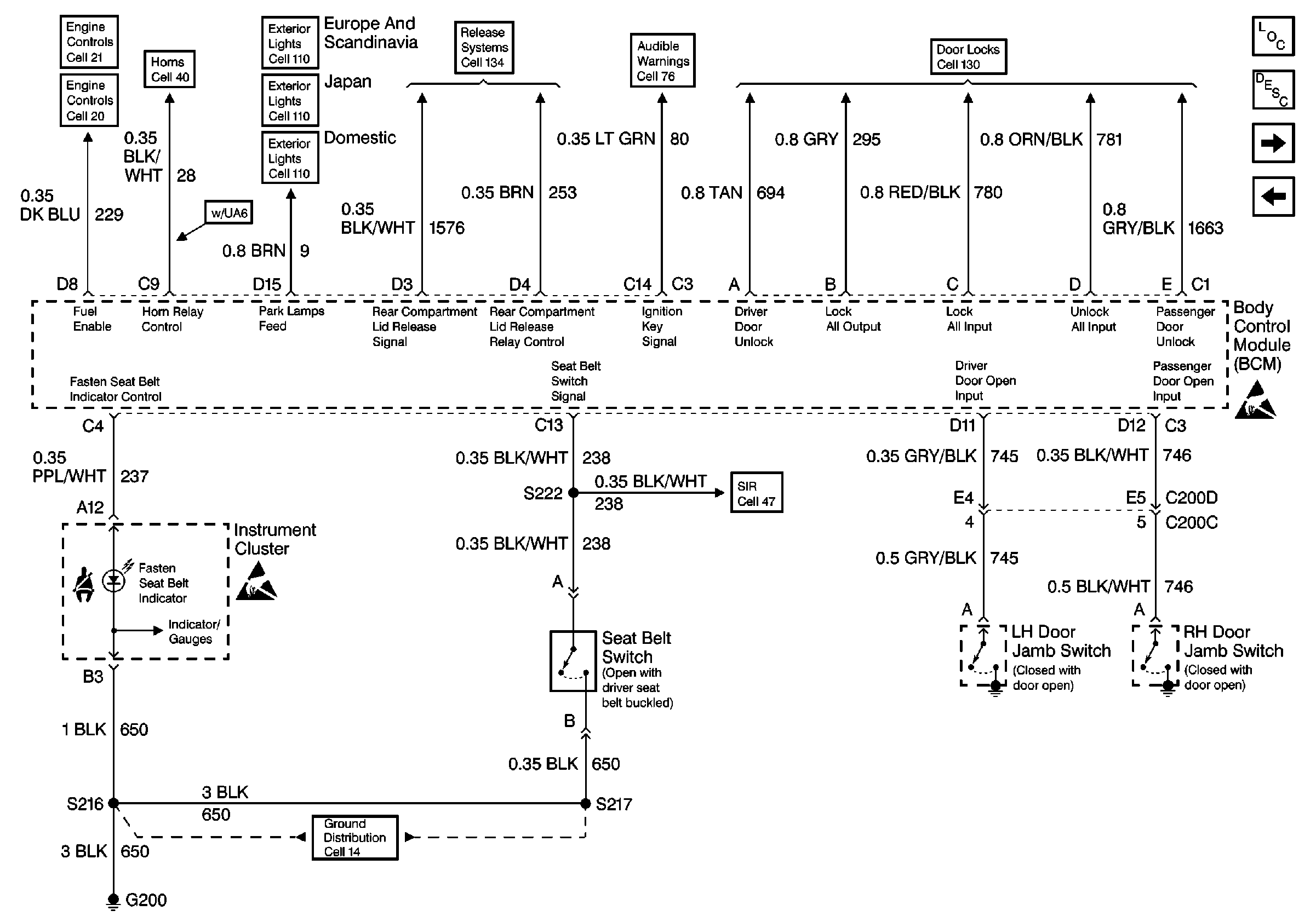
Figure 4:

Interior Lamps


Object Number: 500466  Size: FS
Body Control Module Components
Body Control System Circuit Description
System Inputs/Outputs
System Outputs
Ground Distribution Schematics
Handling ESD Sensitive Parts Notice
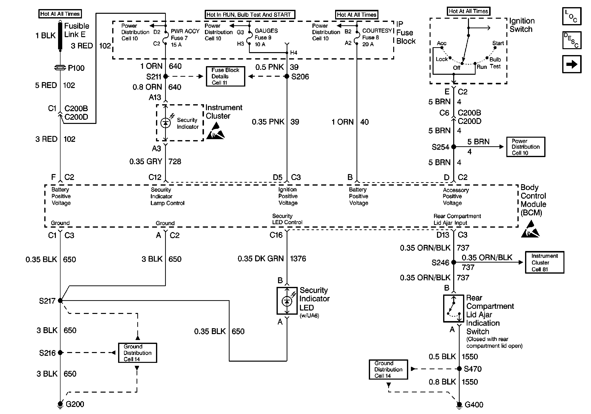
Figure 5:

System Inputs/Outputs


Object Number: 500468  Size: FS
Body Control Module Components
Body Control System Circuit Description
Interior Lamps
Theft Deterrent System Schematics
Engine Controls Schematics
Engine Controls Schematics
Instrument Cluster: Analog Schematics
Fog Lights Schematics
Theft Deterrent System Schematics
Ground Distribution Schematics
Engine Controls Schematics
Handling ESD Sensitive Parts Notice

Body Control System Schematics With Door Jamb Switches

Figure 1:

Power and Ground


Object Number: 500473  Size: FS
Body Control Module Components
Body Control System Circuit Description
RAP Components
Power Distribution Schematics
Power Distribution Schematics
Power Distribution Schematics
Fuse Block Schematics
Power Distribution Schematics
Ground Distribution Schematics
Ground Distribution Schematics
Instrument Cluster: Analog Schematics
Handling ESD Sensitive Parts Notice
Handling ESD Sensitive Parts Notice
Figure 2:

RAP Components


Object Number: 500459  Size: FS
Body Control Module Components
Body Control System Circuit Description
System Outputs
Power and Ground
Handling ESD Sensitive Parts Notice
SIR Handling Caution
Handling ESD Sensitive Parts Notice
Figure 3:

System Outputs


Object Number: 500484  Size: FS
Body Control Module Components
Body Control System Circuit Description
Interior Lamps
Engine Controls Schematics
Engine Controls Schematics
Horn Schematics
Exterior Lights Schematics Europe and Scandinavia
Exterior Lights Schematics Japan
Exterior Lights Schematics Domestic
Release Systems Schematics
Audible Warnings Schematics
Door Lock/Indicator Schematics
SIR Schematics
Ground Distribution Schematics
Handling ESD Sensitive Parts Notice
Handling ESD Sensitive Parts Notice
RAP Components
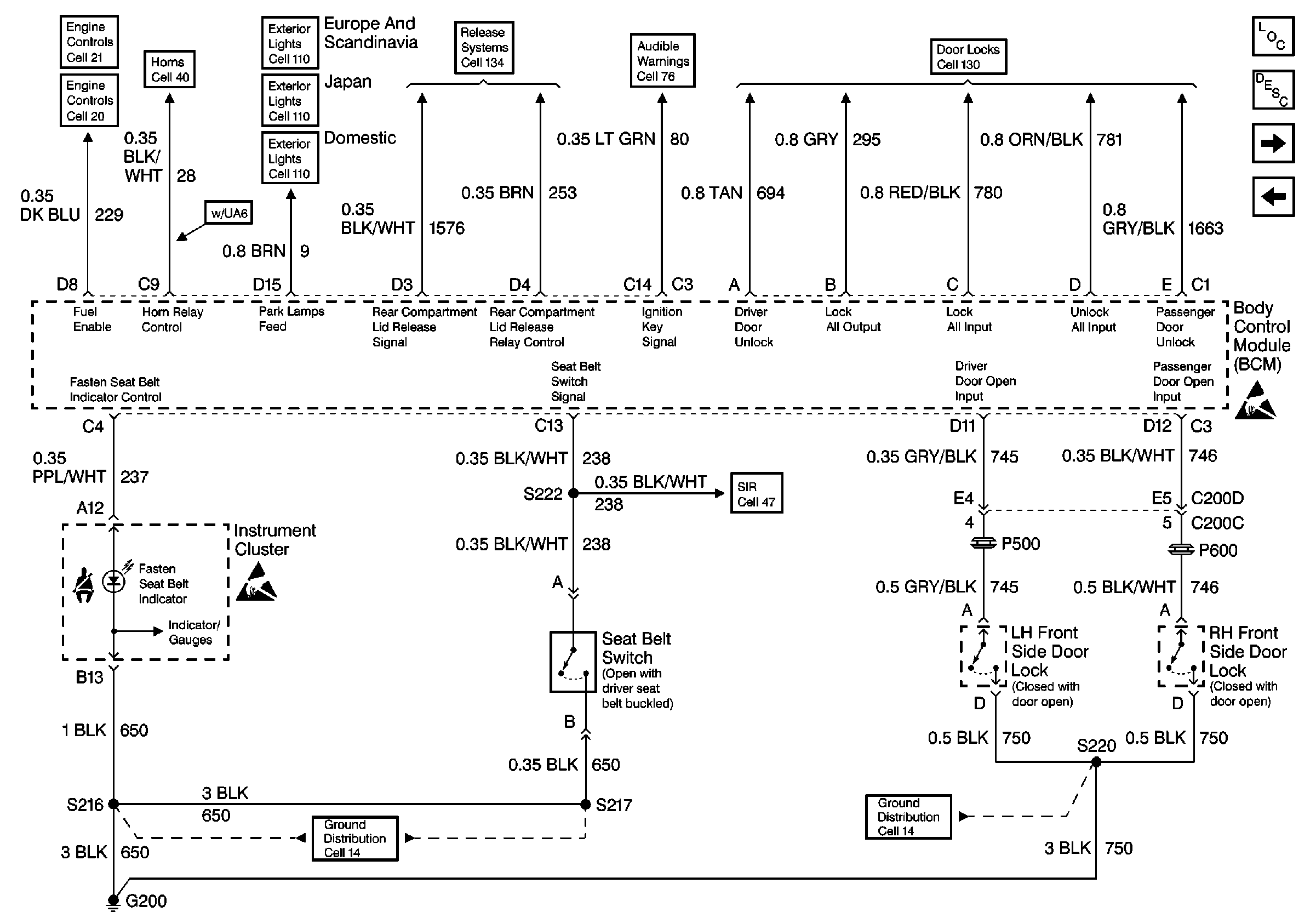
Figure 4:

Interior Lamps


Object Number: 500487  Size: FS
Body Control Module Components
Body Control System Circuit Description
System Inputs/Outputs
System Outputs
Ground Distribution Schematics
Handling ESD Sensitive Parts Notice
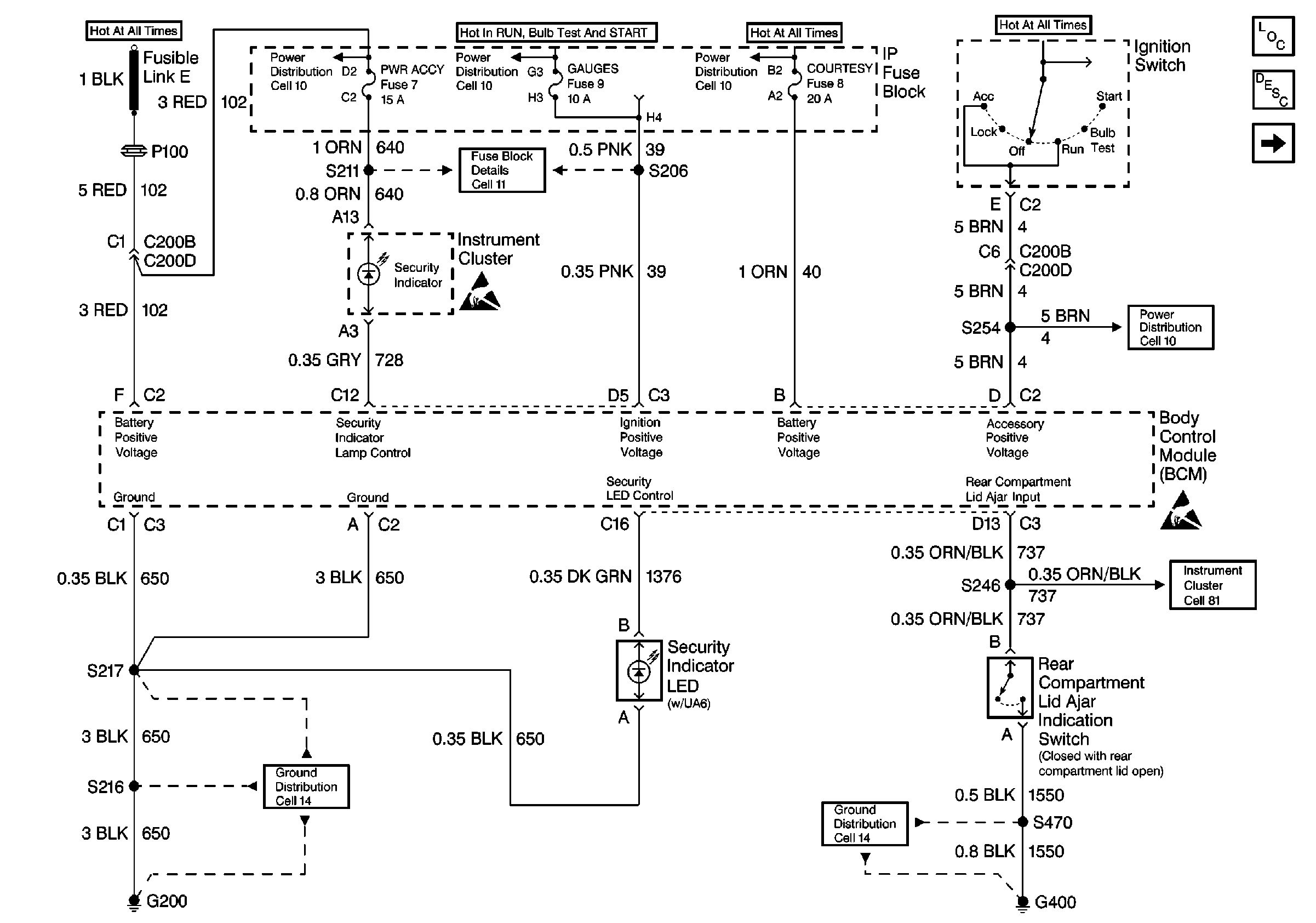
Figure 5:

System Inputs/Outputs


Object Number: 500491  Size: FS
Body Control Module Components
Body Control System Circuit Description
Interior Lamps
Theft Deterrent System Schematics
Engine Controls Schematics
Engine Controls Schematics
Instrument Cluster: Analog Schematics
Fog Lights Schematics
Theft Deterrent System Schematics
Ground Distribution Schematics
Engine Controls Schematics
Handling ESD Sensitive Parts Notice