GM Service Manual Online
For 1990-2009 cars only
Makes
🢒
Pontiac
🢒
2000
🢒
Firebird
🢒
Body and Accessories
🢒
Doors
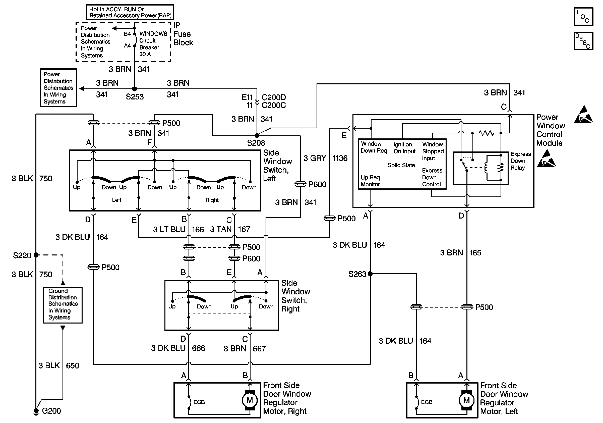
🢒 Power Window Schematics
Power Window Control Module and Window Switches
Power Door Systems Components
Power Windows Circuit Description
Handling ESD Sensitive Parts Notice
WINDOWS Circuit Breaker, RADIO, STG WHL CNTRL, and WIPER/WASH Fuses
WINDOWS Circuit Breaker, RADIO, STG WHL CNTRL, and WIPER/WASH Fuses
G200 Splice S216