GM Service Manual Online
For 1990-2009 cars only
Makes
🢒
Pontiac
🢒
2000
🢒
Firebird
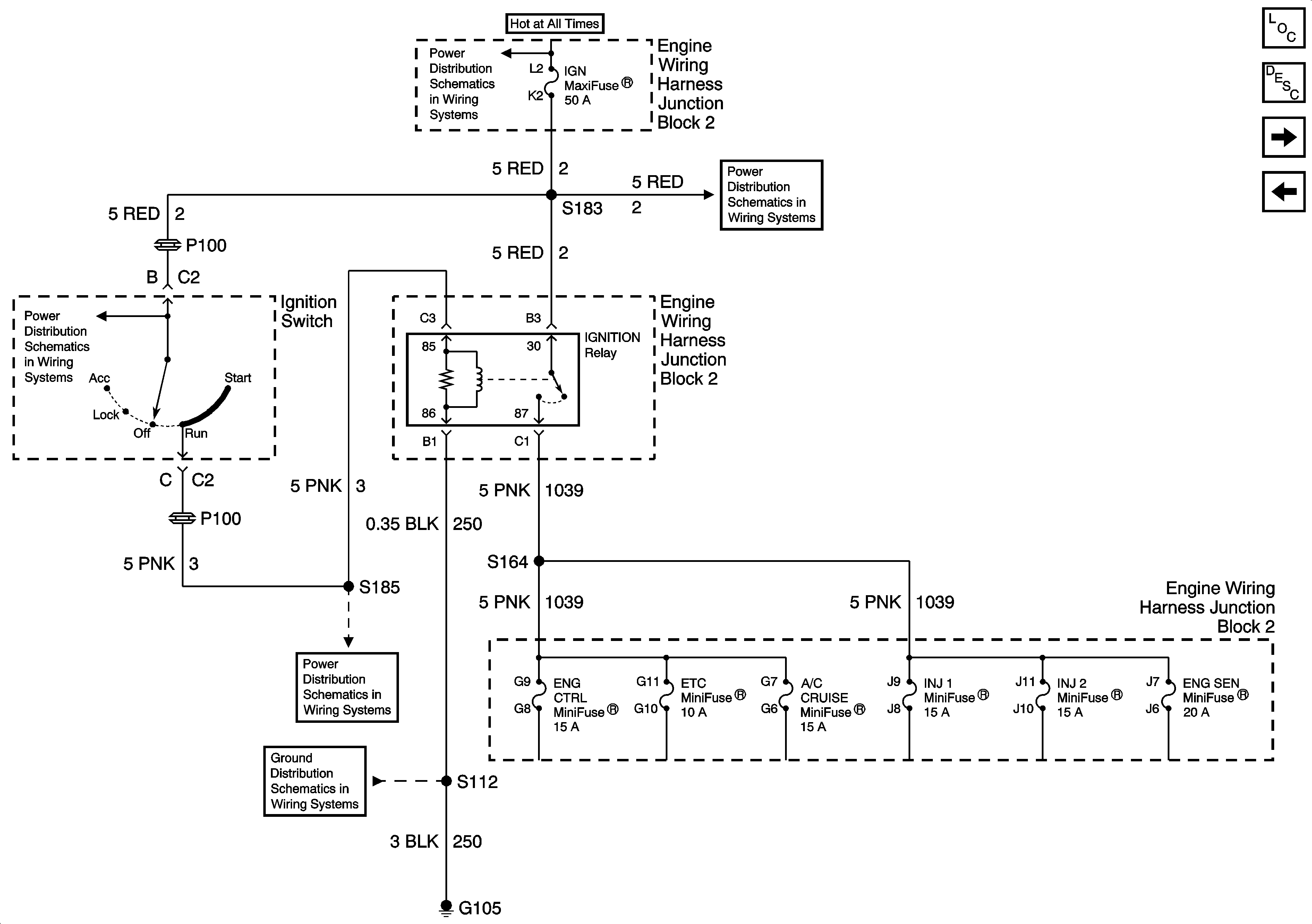
🢒 Ignition Relay
Ignition Relay
Ignition Relay
Engine Controls Components
Powertrain Control Module Description
Data Link Connector
Power and Ground
Fusible Links, CIG/ACCY, ENG CTRL, IGN, I/P-1, I/P-2, and PWR ACCY Fuses
Ignition Switch
Ignition Switch
Ignition Switch
G105