GM Service Manual Online
For 1990-2009 cars only
Makes
🢒
Pontiac
🢒
2000
🢒
Firebird
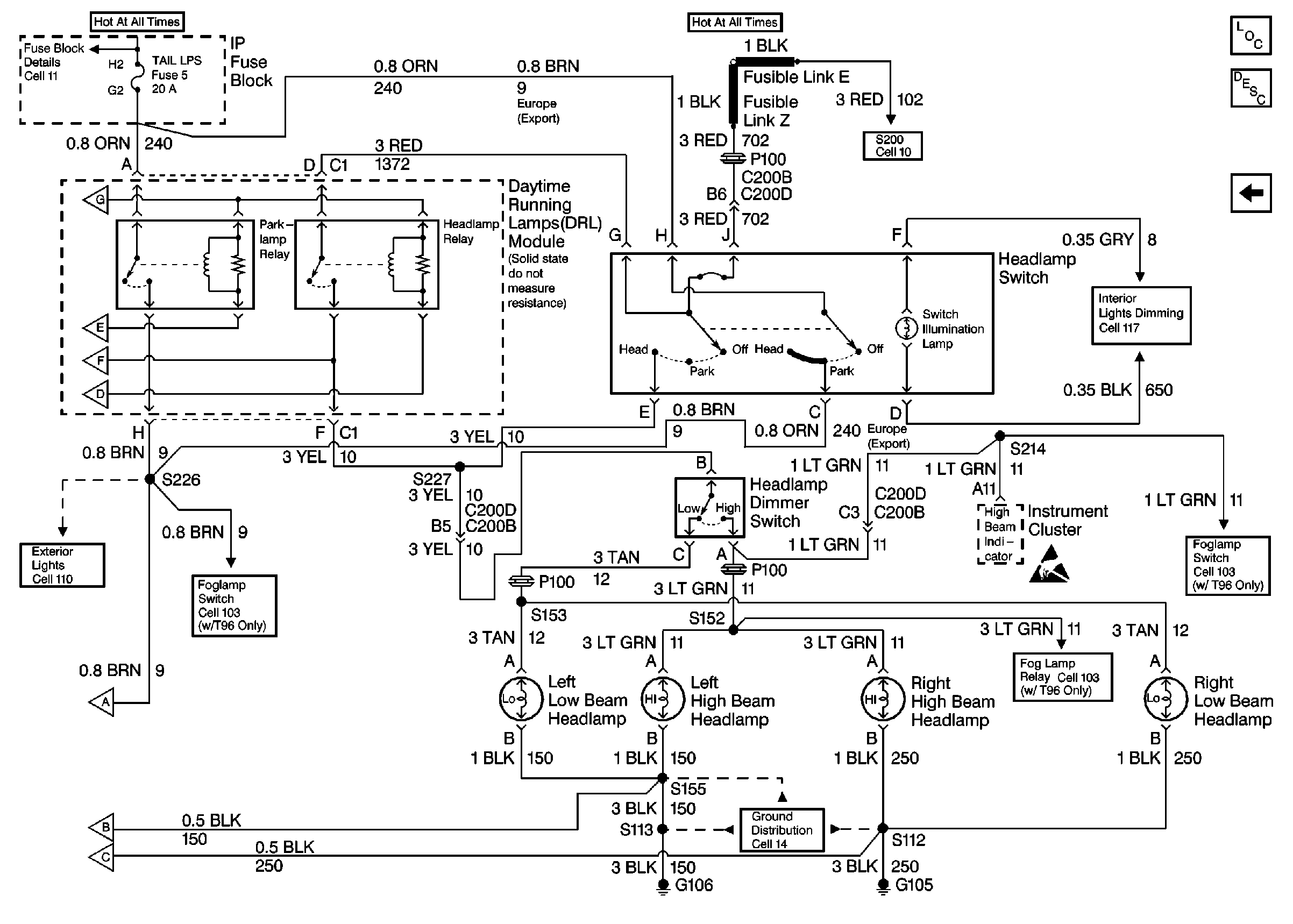
🢒 Chevrolet: Headlamps Cell 102
Chevrolet: Headlamps Cell 102
Chevrolet: Headlamps Cell 102
Fusible Links, IP Fuse Block, and Underhood Electrical Centers
Chevrolet: Park/Turnlamps Cell 102
Chevrolet: Park/Turnlamps Cell 102
Chevrolet: Park/Turnlamps Cell 102
Chevrolet: Park/Turnlamps Cell 102
Chevrolet: Taillamps, Tail/Stop Turnlamps, Tail/Stoplamps, License Lamp Cell 110
Pontiac Cell 103
Chevrolet: Park/Turnlamps Cell 102
Chevrolet: Park/Turnlamps Cell 102
Chevrolet: Park/Turnlamps Cell 102
G105
Chevrolet Cell 103
Chevrolet Cell 103
Handling ESD Sensitive Parts Notice
Fusible Links, IP Fuse Block, and Underhood Electrical Centers
Headlamp and IP Dimmer Switches
Chevrolet: Park/Turnlamps Cell 102
Headlights Circuit Description Chevrolet
Lighting Systems Components