GM Service Manual Online
For 1990-2009 cars only
Makes
🢒
Pontiac
🢒
2000
🢒
Firebird
🢒 Chevrolet: Park/Turnlamps Cell 102
Chevrolet: Park/Turnlamps Cell 102
Chevrolet: Park/Turnlamps Cell 102
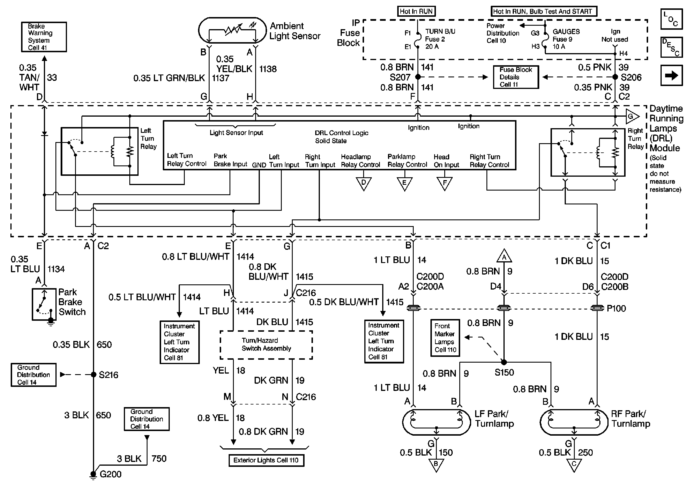
Lighting Systems Components
Headlights Circuit Description Chevrolet
Chevrolet: Headlamps Cell 102
Fusible Links, IP Fuse Block, and Underhood Electrical Centers
I/P Fuses 1, 2, 5 and 6
Chevrolet: Headlamps Cell 102
Cell 41
Chevrolet: Headlamps Cell 102
Chevrolet: Headlamps Cell 102
Chevrolet: Headlamps Cell 102
Chevrolet: Headlamps Cell 102
Park/Turnlamps, Foglamps Relay, Side Marker Lamps Cell 110
Tail/Stop/Turnlamps Cell 110
Chevrolet: Headlamps Cell 102
Chevrolet: Headlamps Cell 102
Pontiac: Taillamps, Outboard Tail/Stop Turnlamps, Inboard Tail/Stop Turnlamps, License Lamp Cell 110
Tail/Stop/Turnlamps Cell 110
G200 Door Locks, Mirrors, Windows
G200 DRL, HVAC, Rear Defog