GM Service Manual Online
For 1990-2009 cars only
Makes
🢒
Pontiac
🢒
2000
🢒
Firebird
🢒 Instrument Panel Lamps
Instrument Panel Lamps
Instrument Panel Lamps
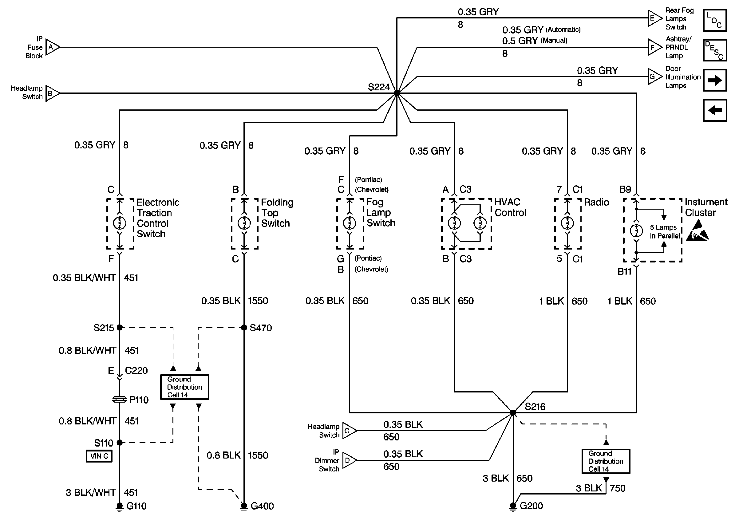
Lighting Systems Components
Interior Lights Dimming Circuit Description
Doors, PRNDL, Rear Fog Lamp Switch, Steering Wheel Controls
Headlamp and IP Dimmer Switches
Headlamp and IP Dimmer Switches
Headlamp and IP Dimmer Switches
Doors, PRNDL, Rear Fog Lamp Switch, Steering Wheel Controls
Doors, PRNDL, Rear Fog Lamp Switch, Steering Wheel Controls
Doors, PRNDL, Rear Fog Lamp Switch, Steering Wheel Controls
Headlamp and IP Dimmer Switches
Headlamp and IP Dimmer Switches
Handling ESD Sensitive Parts Notice
G112 V6 VIN K
G200 Door Locks, Mirrors, Windows