GM Service Manual Online
For 1990-2009 cars only
Makes
🢒
Pontiac
🢒
2000
🢒
Firebird
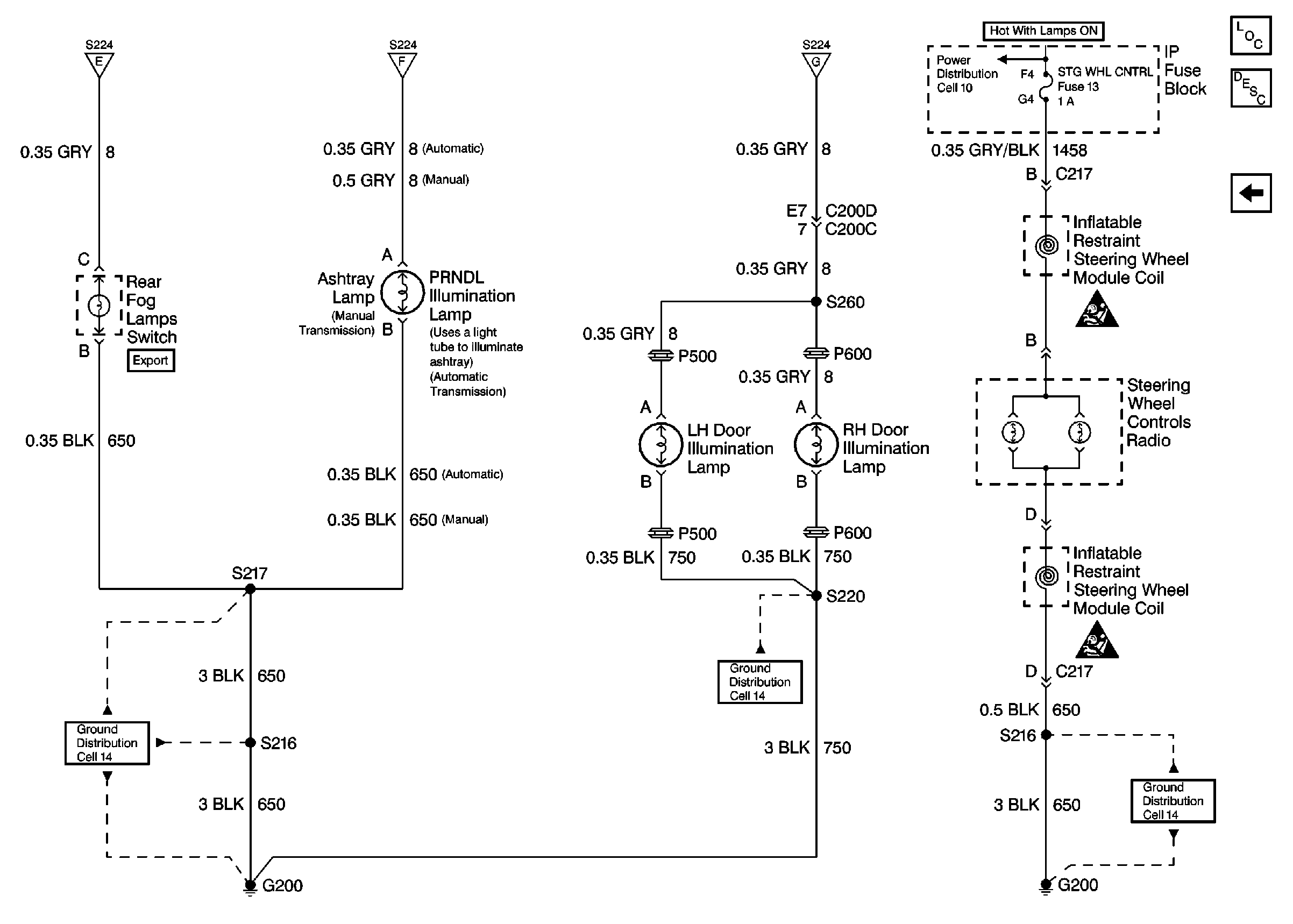
🢒 Doors, PRNDL, Rear Fog Lamp Switch, Steering Wheel Controls
Doors, PRNDL, Rear Fog Lamp Switch, Steering Wheel Controls
Doors, PRNDL, Rear Fog Lamp Switch, Steering Wheel Controls
Lighting Systems Components
Interior Lights Dimming Circuit Description
Instrument Panel Lamps
Instrument Panel Lamps
Instrument Panel Lamps
Instrument Panel Lamps
Ignition Switch and IP Fuse Block
SIR Caution
SIR Caution
G200 Door Locks, Mirrors, Windows
G200 Door Locks, Mirrors, Windows
G200 Door Locks, Mirrors, Windows