GM Service Manual Online
For 1990-2009 cars only
Makes
🢒
Pontiac
🢒
2000
🢒
Firebird
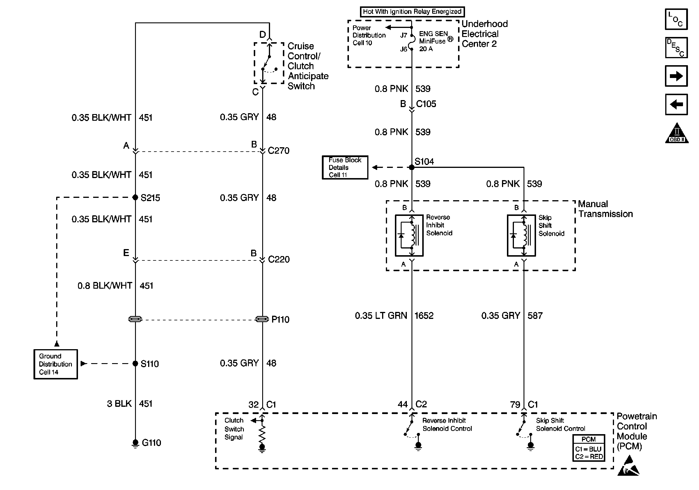
🢒 Clutch Anticipate Switch, Reverse Inhibit and Skip Shift Solenoids
Clutch Anticipate Switch, Reverse Inhibit and Skip Shift Solenoids
Clutch Anticipate Switch, Reverse Inhibit and Skip Shift Solenoids
Engine Controls Components
Powertrain Control Module Description
Automatic Transmission, Stop Lamp Switch
Oil Level, ETC, Cruise Control and Generator
OBD II Symbol Description Notice
Ignition Switch and Underhood Electrical Center 2
G110 V8 VIN G
Handling ESD Sensitive Parts Notice
Powertrain Control Module Connector End Views