GM Service Manual Online
For 1990-2009 cars only
Makes
🢒
Pontiac
🢒
2000
🢒
Firebird
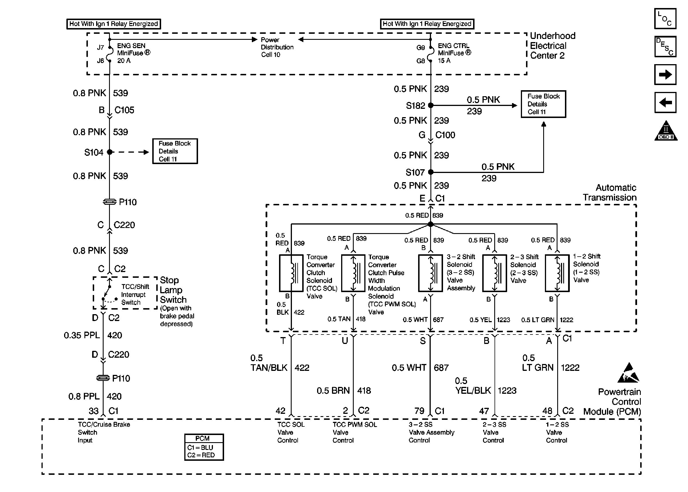
🢒 Automatic Transmission, Stop Lamp Switch
Automatic Transmission, Stop Lamp Switch
Automatic Transmission, Stop Lamp Switch
Engine Controls Components
Electronic Component Description
Automatic Transmission, Park/Neutral Position Switch
Clutch Anticipate Switch, Reverse Inhibit and Skip Shift Solenoids
OBD II Symbol Description Notice
Ignition Switch and Underhood Electrical Center 2
U/H Center 2: ENG CTRL Fuse
Handling ESD Sensitive Parts Notice
Powertrain Control Module Connector End Views