GM Service Manual Online
For 1990-2009 cars only
Makes
🢒
Pontiac
🢒
2000
🢒
Firebird
🢒 Cell 41
Cell 41
Cell 41
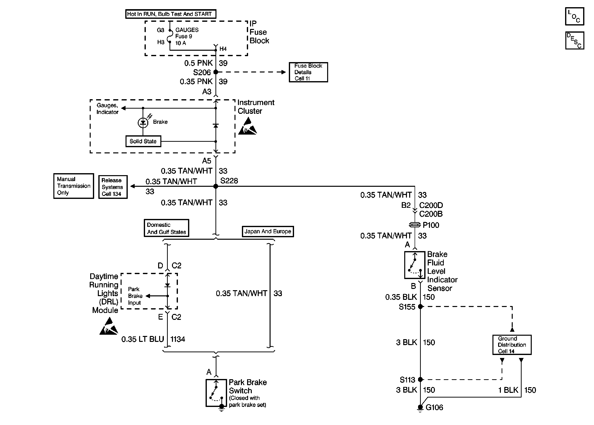
Hydraulic Brakes Components
Brake Warning System Circuit Description
I/P Fuses 7, 9, 10 and 11
DRL Module, Park Brake Switch, and Park/Neutral Position Switch
Handling ESD Sensitive Parts Notice
Handling ESD Sensitive Parts Notice
G106