GM Service Manual Online
For 1990-2009 cars only
Makes
🢒
Pontiac
🢒
2000
🢒
Firebird
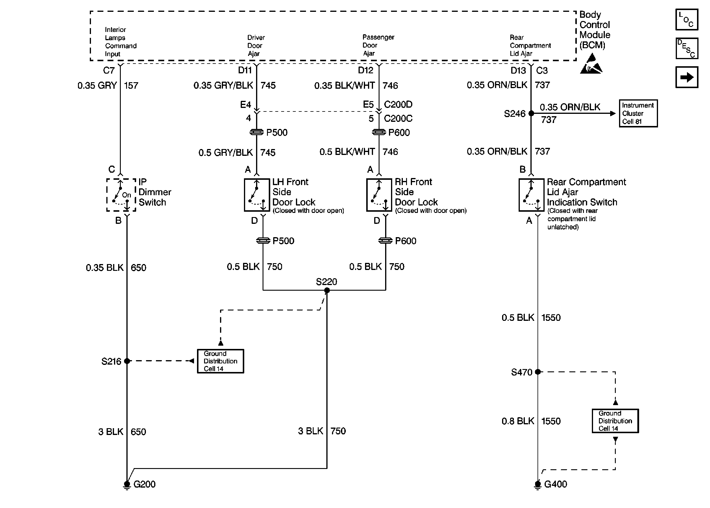
🢒 BCM and Switch Inputs
BCM and Switch Inputs
BCM and Switch Inputs
Lighting Systems Components
Interior Lights Circuit Description
Dome, IP, and Courtesy Lamps
Handling ESD Sensitive Parts Notice
G200 Door Locks, Mirrors, Windows
G400 Chevrolet
BCM, Engine Coolant Level Indicator Module, PCM, and Rear Compartment Lid Ajar Indicator Switch