GM Service Manual Online
For 1990-2009 cars only
Makes
🢒
Pontiac
🢒
2000
🢒
Firebird
🢒 Dome, IP, and Courtesy Lamps
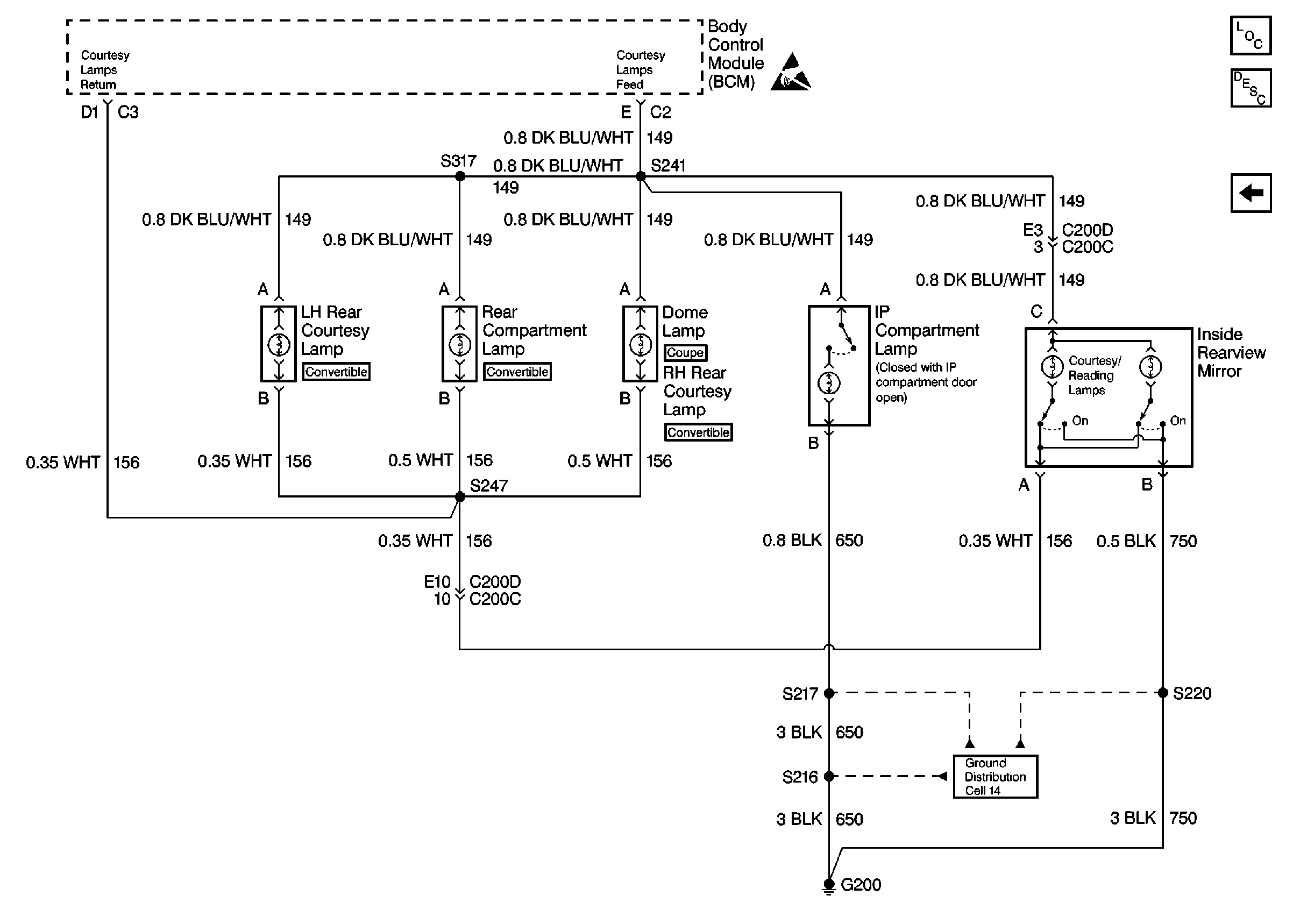
Dome, IP, and Courtesy Lamps
Dome, IP, and Courtesy Lamps
Lighting Systems Components
Interior Lights Circuit Description
BCM and Switch Inputs
Handling ESD Sensitive Parts Notice
G200 Door Locks, Mirrors, Windows